Силовой модуль PM340 взаимодействует с модулем управления CU305 через интерфейс PM-IF.
PM340 с CU305 DP и BOP20
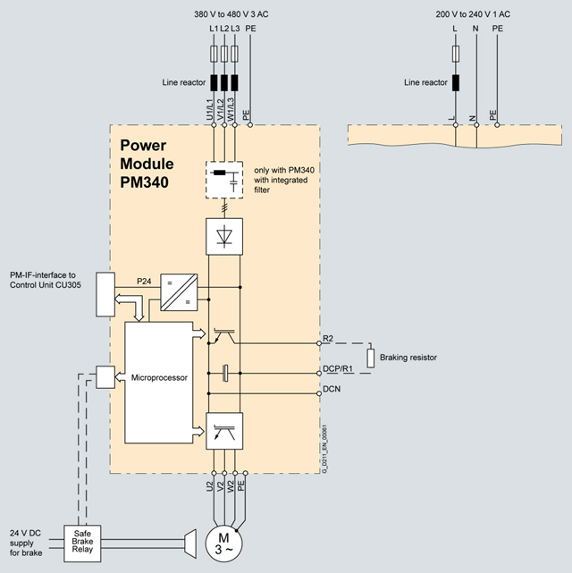
PM340 пример подключения
Многие системные компоненты для Силового Модуля PM340 разработаны как базовые компоненты, т.е. данные компоненты монтируются на базовую плату PM340 перед силовым модулем и за счёт этого имеют компактную конструкцию и требуют меньше места для установки. Максимум два компонента могут быть установлены один перед другим.
|
FSA |
FSB |
FSC |
FSD |
FSE |
FSF |
|
|---|---|---|---|---|---|---|
|
Сетевой фильтр |
– |
– |
– |
– |
– |
|
|
Сетевой дроссель |
O |
|||||
|
Тормозное сопротивление |
O |
O |
O |
O |
||
|
Выходной дроссель |
O |
O |
O |
= устанавливается как базовый компонент
O = не устанавливается как базовый компонент
– = не доступен (используйте PM340 с интегрированным сетевым фильтром)
PM340 с сетевым дросселем как базовым компонентом
Сетевой дроссель оборудован клеммами для подключения сети и готовами кабелями для подключения PM340. При установке клеммы для подключения сети располагаются сверху для типоразмеров от FSA до FSC, и снизу для типоразмеров FSD и FSE.
PM340 типоразмер FSA с сетевым дросселем и сетевым фильтром
Если на типоразмере FSA сетевой фильтр установлен в дополнение к сетевому дросселю, компоненты должны быть расположены, как показанно на рисунке выше. При этом питание подводится снизу.
PM340 типоразмер FSA с сетевым и выходным дросселями
PM340 типоразмера FSB и выше доступны с интегрированным сетевым фильтром, снижает потребность установки внешнего сетевова фильтра
Для конфигураций, включающих более двух базовых компонентов, например сетевой дроссель + выходной дроссель + тормозное сопротивление, индивидуальные компоненты должны устанавливаться на PM340. В данной сборке входной и выходной дроссели долны устанавливаться перед PM340 и тормозное сопротивление отдельно.


