СРЕДСТВА ПРОМЫШЛЕННОЙ АВТОМАТИЗАЦИИ
официальный партнер Сименс
Каталог СА01 2012
архивный
(4872) 700-366
skenergo@mail.ru
Поиск
Каталог 2018
|
Каталог 2017
|
Каталог 2016
|
Каталог 2015
|
Каталог 2014
|
Каталог 2013
|
Каталог 2012
|
Сертификат
|
Контакты
|
Карта сайта
|
Поиск
Обзор
|
Дизайн
|
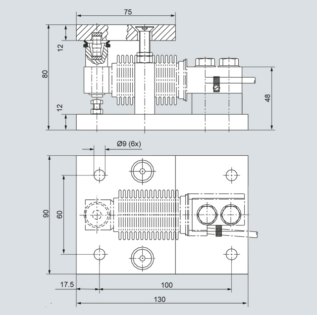
Чертеж
|
Заказные данные
|
Комбинированный монтажный блок
Комбинированный монтажный блок для весоизмерительных ячеек SIWAREX WL230 BB-S SA, размеры в мм
Каталог оборудования 2012
Каталог продуктов Siemens Industry
Приводная техника
Техника автоматизации
Системы автоматизации
Системы визуализации SIMATIC HMI
Системы идентификации
Промышленные коммуникации SIMATIC NET
Промышленные аппараты управления SIRIUS
Промышленные информационные технологии
Управление на базе РС
Системы управления процессом
Датчики
Контрольно-измерительные приборы
Анализаторы процесса
Технологии взвешивания
Модули взвешивания
Весоизмерительные ячейки
Введение в весоизмерительные ячейки
Введение в монтажные компоненты
SIWAREX WL260 SP-S AA
SIWAREX WL260 SB-S AB
SIWAREX WL260 SP-S SA
SIWAREX WL250 ST-S SA
SIWAREX WL230 BB-S SA
Весоизмерительные ячейки
Эластомерная опора с базовой платой с защитой от перегрузок
Эластомерные опоры
Комбинированный монтажный блок
SIWAREX WL230 SB-S SA
SIWAREX WL270 CP-S SA
SIWAREX WL270 CP-S SB
SIWAREX WL270 CP-S SC
SIWAREX WL270 K-S CA
SIWAREX WL280 RN-S SA
Серия SP
Серия BB
Серия SB
Серия RN
Серия CC
Серия K
Аксессуары
Конфигурации
Конвейерное взвешивание
Ленточные весовые дозаторы Milltronics
Расходомеры сыпучих веществ
Датчики зрения
Блоки питания
Продукты для специальных требований
Автоматизация зданий
Низковольтная коммутационная техника
Технология безопасности
Системные решения и продукты для отраслей
Сервис
... и все, что Вам еще необходимо
©
ООО "СК ЭНЕРГО"
2007-2022
(4872) 700-366