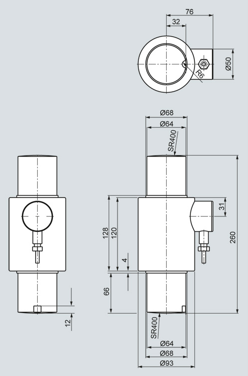
|
Номинальная нагрузка [т] |
Размеры [мм] |
||||
|---|---|---|---|---|---|
|
D |
D1 |
H |
H1 |
H2 |
|
|
100 |
64 |
68 |
93 |
121 |
260 |
Весоизмерительные ячейки SIWAREX WL 270 CP-S SB


