The Set consists of the following components which can be selected as options:
- FIDAMAT 6 in protective housing in accordance with ATEX (basic version)
- FIDAMAT 6 in protective housing, mounted on mounting plate, and with combustion air preparation device
- FIDAMAT 6 in protective housing, mounted on mounting plate, with combustion air preparation device, installed in a standard control cabinet
The basic version includes the FIDAMAT 6 in a purged sheet-steel protective housing for use in hazardous areas of Zone 2. The monitoring unit for monitoring the volume flow of the purging air and observation of the pressure limits in the protective housing is included in the delivery.
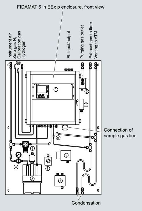
FIDAMAT 6 in protective housing
In a further version, the basic system can be ordered completely assembled on a mounting plate with dimensions 1 000 x 2 000 mm (W x H). This version additionally provides the complete combustion air preparation device, and is supplied with complete wiring and piping for installation in an analysis cabinet or standard protective cabinet.
FIDAMAT 6 in protective housing on mounting plate with combustion air preparation device
|
Legend |
|||
|---|---|---|---|
|
1 |
FIDAMAT 6 |
6 |
Gonnheimer EEx p monitoring |
|
2 |
Combustion air preparation device |
7 |
Terminal box |
|
3 |
Pressure reducer for purging air |
8 |
Reset switch |
|
4 |
Pressure reducer for combustion air |
9 |
Non-return valve |
|
5 |
Pressure switch for combustion gas |
10 |
Ball valves |
The system can be optionally ordered completely ready for connection in a standard protective cabinet made of sheet-steel or FRP.
With all versions, the gas connections on the process side can be ordered with metric or Imperial dimensions.
Combustion gas supply
The combustion gas supply can be ordered optional to the various versions.
The components are fitted on a mounting plate, and include:
- Pressure reducers required for combustion and calibration gases
- Flow limiter for combustion gas
- Solenoid valve for switching off the combustion gas in the event of a fault
- Automatic switchover of combustion gas supply to replacement cylinder
The pressure of the combustion gas cylinder is monitored by a pressure switch. If the set limit is fallen below, automatic switchover to the replacement cylinder is carried out. An alarm is triggered at the same time to signal that it is necessary to replace the cylinder. The continuous supply with combustion gas means that interruption-free operation of the equipment is guaranteed.
Combustion and calibration gases do not belong to the scope of delivery. These must be ordered separately as required.



