Siemens
СРЕДСТВА ПРОМЫШЛЕННОЙ АВТОМАТИЗАЦИИ
официальный партнер Сименс
Каталог СА01 2012
архивный
(4872) 700-366
skenergo@mail.ru
Релейный электронный F-модуль

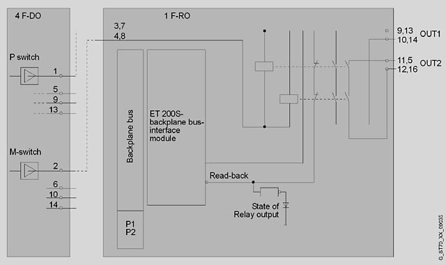
На схеме показан вариант управления с помощью модуля 4F-DO =24 В/2A PROFIsafe (6ES7138-4FB02-0AB0). Цепь управления должна быть подключена к контактам 3, 4 и 7, 8. Один канал F-DO может использоваться для управления работой нескольких модулей F-RO (группа отключения).























































Каталог оборудования 2012
Каталог продуктов Siemens Industry Приводная техника Техника автоматизации Автоматизация зданий Низковольтная коммутационная техника Технология безопасности Технология безопасности для атвоматизации предприятия Технология безопасности для автоматизации процессов Безопасность процессов Контроллеры Входы/Выходы Системы ET 200 для шкафов управления ET 200M F цифровые/аналоговые модули ET 200S Интерфейсные модули для надежных CPU Модули FailSafe F модули питания PM-E F PROFIsafe Электронные модули FailSafe Релейный электронный F-модуль Терминальные модули FailSafe F модули ввода-вывода SIPLUS Пускатели с функцией безопасности ET 200 S локальные/сетевые PROFIsafe Преобразователи частоты повышенной безопасности ET 200S FC Системы ET 200 без шкафа управления S7-F/FH системы Приводы Системные решения и продукты для отраслей Сервис ... и все, что Вам еще необходимо

  © ООО "СК ЭНЕРГО" 2007-2022
  (4872) 700-366
Яндекс.Метрика