Конфигурация
Полупроводниковые устройства плавного пуска 3RW разработаны для легких условий пуска. В случае отклонения условий или увеличения частоты пусков, если это необходимо, выбрать устройство большей мощности. Для точного определения размеров используйте программу для выбора и моделирования Win-Soft Starter.
Если необходимо, должны быть выбраны реле перегрузки для тяжелых условий пуска в том случае, когда процесс пуска продолжительный. Рекомендуется применение датчиков PTC.
Не разрешается установка емкостных элементов в фидере двигателя между устройствами плавного пуска SIRIUS 3RW и двигателями (например, оборудование для компенсации реактивной мощности). Кроме того, параллельная работа статических систем для компенсации реактивной мощности или динамических PFC (Power Factor Correction - Коррекция Коэффициента Мощности) не должна использоваться в процессе пуска и остановки устройства плавного пуска. Это важно для предотвращения неисправности, которая может возникнуть в оборудовании для компенсации и / или устройстве плавного пуска.
Все элементы силовой цепи (такие как предохранители, контакторы, реле перегрузки) должны быть рассчитаны на прямой пуск после локальных условий короткого замыкания. Предохранители, контакторы, реле перегрузки должны быть заказаны отдельно. Пожалуйста, учитывайте максимальную частоту пусков, указанную в технических спецификациях.
Примечание:
Когда асинхронные двигатели включаются, падение напряжения происходит, как правило, на всех типах пускателей (прямого пуска, пуска звезда-треугольник, устройствах плавного пуска). Вводной трансформатор должен быть всегда таких размеров, чтобы падение напряжения при пуске двигателя оставалось в пределах допустимой величины. Если вводной трансформатор выбран с небольшим падением, это лучше для напряжения цепей управления, которое подается от отдельной сети (независимо от напряжения силовых цепей), чтобы избежать отключения устройства плавного пуска.
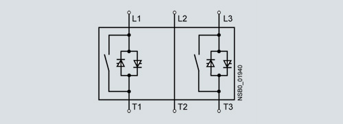
Схема силовой электроники
Шунтирующая контактная система всегда интегрирована в устройства плавного пуска 3RW30 и ее нет необходимости заказывать отдельно.
Диаграмма состояния
Программа для выбора и моделирования Win-Soft Starter
С эти программным обеспечением вы можете моделировать и выбирать все устройства плавного пуска Siemens, принимая во внимание различные параметры, такие как свойства силовых цепей, данные двигателя и нагрузки, специальные требования по применению.
Программное обеспечение - ценный инструмент, который делает сложные и длинные ручные вычисления, чтобы определить необходимое устройство плавного пуска.
Программа выбора и моделирования Win-Soft Starter может быть загружена из "Software" со следующим звеном.
Дополнительная информация доступна в интернете по адресу:
Additional information is available in the Internet under:
http://www.siemens.de/sanftstarter



