- 19" rack unit with 4 HU for installation
- in hinged frame
- in cabinets with or without telescope rails
- Front plate for service purposes can be pivoted down (laptop connection)
- Connections for sample gas
- Input: Clamping ring connection for a pipe diameter of 6 mm or "
- Output: Pipe connection with diameter 6 mm or "
- High-pressure and low-pressure versions
- Catalytically active and inactive cell
Display and control panel
- Large LCD field for simultaneous display of
- Measured value
- Status bar
- Measurement ranges
- Contrast of the LCD field adjustable via the menu
- Permanent LED backlighting
- Washable membrane keyboard with five softkeys
- Five-digit measured-value display
(decimal point counts as one digit) - Menu-driven operation for parameterization, configuration, test functions, adjustment
- Operator support in plain text
- Graphical display of the concentration progression; time intervals parameterizable
- Bilingual operating software German/English, English/Spanish, French/English, Spanish/English, Italian/English
- Switchover from ppm measuring range to % measuring range
Input and outputs
- One analog output per medium (from 0, 2, 4 to 20 mA; NAMUR parameterizable)
- Six binary inputs freely configurable (e.g. for measurement range switchover, processing of external signals from sample preparation)
- Six relay outputs freely configurable (failure, maintenance request, maintenance switch, threshold alarm, external solenoid valves)
- Two analog inputs configurable (e.g. correction of cross-interference, external pressure sensor)
- Extension with eight additional binary inputs and eight additional relay outputs, e.g. for autocalibration with up to four calibration gases
Communication
RS 485 present in basic unit (connection from the rear).
Options
- RS 485/RS 232 converter
- RS 485/Ethernet converter
- RS 485/USB converter
- Connection to networks via PROFIBUS DP/PA interface
- SIPROM GA software as the service and maintenance tool
OXYMAT 64, membrane keyboard and graphic display
Designs – Parts touched by sample gas, standard
|
Gas path |
19" rack unit |
|
|---|---|---|
|
Sample gas path |
Bushing Pipe inlet O2 sensor Bypass line Connection pieces |
Stainless steel, mat. no. 1.4571 Stainless steel ZrO2 ceramic FPM (Viton) PTFE (Teflon) |
|
Pressure sensor |
Enclosure Diaphragm Sensor adapter Bypass restrictor |
Polycarbonate SiO4 Aluminum Stainless steel, mat. no. 1.4571 |
|
Flow indicator |
Measurement pipe Variable area Suspension boundary Angle pieces |
Duran glass Duran glass, black PTFE (Teflon) FKM (Viton) |
|
Pressure switch |
Enclosure Membrane |
Polycarbonate NBR |
Gas path (high-pressure version)
|
Legend for the gas path figure |
|||
|---|---|---|---|
|
1 |
Sample gas inlet; inlet pressure |
5 |
Pressure sensor |
|
6 |
Bypass restrictor |
|
|
7 |
Pressure switch |
|
|
2 |
Sample gas outlet; sample gas flows off free of dynamic pressure |
8 |
Flow measuring tube |
|
3 |
Pressure regulator (order version) |
9 |
Purging gas connection |
|
4 |
O2 sensor |
10 |
Restrictor |
Gas path OXYMAT 64, high-pressure version
The sample gas pressure (2 000 to 6 000 hPa) is regulated by the pressure regulator (3) at approx. 2 000 hPa or is provided by the operator with 2 000 hPa. This pressure is applied at the restrictor (10). The restrictor (10) reduces the pressure such that a sample gas flow of 15 to 30 l/h is created. This flow is subdivided via the sample gas restrictor (11) and the adjustable bypass restrictor (6) such that there is a sample gas flow of 7.5 l/h through the sensor.
If the sample gas can flow off into the atmosphere unhampered, the sample gas pressure corresponds to the atmospheric pressure. If the sample gas flows off via an exhaust gas line, it works like a flow resistance. If the resulting dynamic pressure exceeds 100 hPa (rel.), a maintenance request is output.
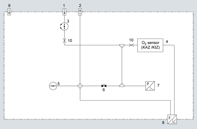
Gas path (low pressure)
|
Legend for the gas path figure |
|||
|---|---|---|---|
|
1 |
Sample gas inlet; flow 125 ml/min (7.5 l/h) |
5 |
Pressure switch |
|
2 |
Sample gas outlet; sample gas flows off free of dynamic pressure |
6 |
Flow measuring tube |
|
3 |
O2 sensor |
7 |
Purging gas connection |
|
4 |
Pressure sensor |
8 |
Restrictor |
Gas path OXYMAT 64, low-pressure version
With the low-pressure version, the sample gas flow must be set externally to 125 ml/min. With a built-in pressure switch, the sample gas pressure is approx. 30 hPa above the current atmospheric pressure since the sample gas flows off via a restrictor. If the resulting dynamic pressure exceeds 100 hPa (rel.), a maintenance request is output. In order to reduce the 90% time, we recommend installation of a bypass upstream of the gas inlet which then provides a faster exchange of gas. This is particularly important with long sample gas lines between the gas sampling point and the analyzer. Please make absolutely sure that the flow in the OXYMAT 64 does not exceed 125 ml/min.


