- 19" rack unit with 4 HU for installation
- in hinged frame
- in cabinets with or without telescope rails
- Front plate can be swung down for servicing purposes (laptop connection)
- Gas connections for sample gas inlet and outlet; pipe diameter 6 mm or "
- Gas and electrical connections at the rear
Display and control panel
- Large LCD field for simultaneous display of:
- Measured value
- Status bar
- Measuring ranges
- Contrast of LCD panel adjustable using menu
- Permanent LED backlighting
- Washable membrane keyboard with five softkeys
- Menu-driven operation for parameterization, test functions, adjustment
- User help in plain text
- Graphic display of concentration trend; programmable time intervals
- Bilingual operating software German/English, English/Spanish, French/English, Spanish/English, Italian/English
Input and outputs
- One analog output per medium (from 0, 2, 4 to 20 mA; NAMUR parameterizable)
- Six binary inputs freely configurable (e.g. for measurement range switchover, processing of external signals from sample preparation)
- Six relay outputs freely configurable (failure, maintenance request, maintenance switch, threshold alarm, external magnetic valves)
- Two analog inputs configurable (e.g. correction of cross-interference, external pressure sensor)
- Extension with eight additional binary inputs and eight additional relay outputs, e.g. for autocalibration with up to four calibration gases
Communication
RS 485 present in basic unit (connection from the rear).
Options
- RS 485/RS 232 converter
- RS 485/Ethernet converter
- RS 485/USB converter
- Connection to networks via PROFIBUS DP/PA interface
- SIPROM GA software as service and maintenance tool
OXYMAT 61, membrane keyboard and graphic display
Designs – Parts touched by sample gas, standard
|
Gas path |
19" rack unit |
|
|---|---|---|
|
With hoses |
Bushing |
Stainless steel, mat. no. 1.4571 |
|
Hose |
FKM (Viton) |
|
|
Sample chamber |
Stainless steel, mat. no. 1.4571 |
|
|
Fittings for sample chamber |
Stainless steel, mat. no. 1.4571 |
|
|
Restrictor |
PTFE (Teflon) |
|
|
O-rings |
FKM (Viton) |
|
|
Hose coupling |
Polyamide 6 |
|
|
Options |
||
|---|---|---|
|
Flow indicator |
Measurement pipe Variable area Suspension boundary Angle pieces |
Duran glass Duran glass, black PTFE (Teflon) FKM (Viton) |
|
Pressure switch |
Membrane Enclosure |
FKM (Viton) PA 6.3 T |
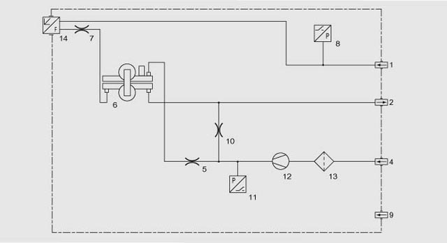
Gas path
|
Legend for the gas path figures |
|||
|---|---|---|---|
|
1 |
Sample gas inlet |
9 |
Purging gas |
|
2 |
Sample gas outlet |
10 |
Restrictor in reference gas path (outlet) |
|
3 |
Not used |
11 |
Pressure switch for reference gas monitoring |
|
4 |
Reference gas inlet |
12 |
Pump |
|
5 |
Restrictor in reference gas path |
13 |
Filter |
|
6 |
O2 physical system |
14 |
Flow indicator in sample gas path (option) |
|
7 |
Restrictor in sample gas path |
15 |
Pressure sensor |
|
8 |
Pressure switch in sample gas path (option) |
||
Gas path OXYMAT 61 with integrated reference gas pump (connection for 1 100 hPa, absolute)
Gas path OXYMAT 61 with reference gas connection 3 000 to 5 000 hPa, absolute


