|
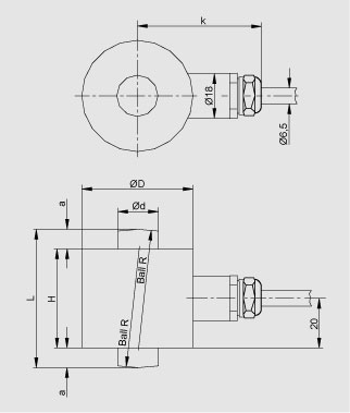
Номинальная нагрузка |
а |
Od |
OD |
H |
k |
L |
R |
|---|---|---|---|---|---|---|---|
|
2,8 т, 6 т |
8 |
16,7 |
45 |
40 |
54 |
56 |
50 |
|
13 т |
12 |
24,5 |
55 |
44 |
59 |
68 |
66 |
|
28 т |
14 |
36 |
64 |
46 |
63,5 |
74 |
72 |
|
60 кг |
20 |
52,7 |
90 |
50 |
76,5 |
90 |
100 |
|
130 т |
26 |
77,5 |
121 |
64 |
92 |
116 |
125 |
|
280 т |
45 |
114 |
165 |
80 |
114 |
170 |
183 |
Весоизмерительная ячейка SIWAREX R, серия К, размеры


