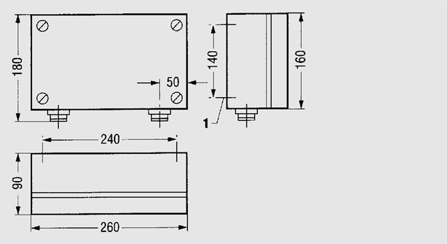
1 отверстие с крепёжным винтом 7 мм
Электрические соединительные элементы: 2 резьбовых соединения Pg и клеммы
Материал корпуса: алюминий, литой под давлением
Взрывозащищенный интерфейс, тип SIWAREX Pi, габариты


1 отверстие с крепёжным винтом 7 мм
Электрические соединительные элементы: 2 резьбовых соединения Pg и клеммы
Материал корпуса: алюминий, литой под давлением
Взрывозащищенный интерфейс, тип SIWAREX Pi, габариты
|
© ООО "СК ЭНЕРГО" 2007-2022 (4872) 700-366 |
|