1) отверстия для крепления корпуса
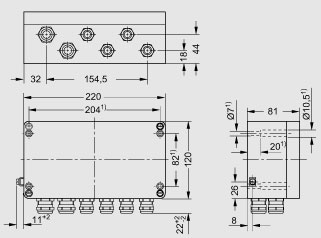
Распределительная коробка SIWAREX JB алюминиевая (7MH4 710-1BA), размеры


1) отверстия для крепления корпуса
Распределительная коробка SIWAREX JB алюминиевая (7MH4 710-1BA), размеры
|
© ООО "СК ЭНЕРГО" 2007-2022 (4872) 700-366 |
|