|
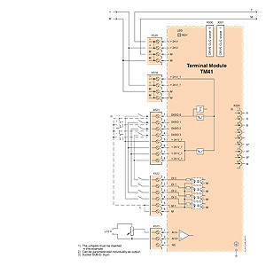
Терминальный модуль TM41 соединяется через DRIVE−CLiQ с управляющим модулем CU310 DP, CU320 или с NCU SINUMERIK solution line. Пример подключения терминального модуля TM41 |
| Каталог 2018 | Каталог 2017 | Каталог 2016 | Каталог 2015 | Каталог 2014 | Каталог 2013 | Каталог 2012 | Сертификат | Контакты | Карта сайта | Поиск |


