|
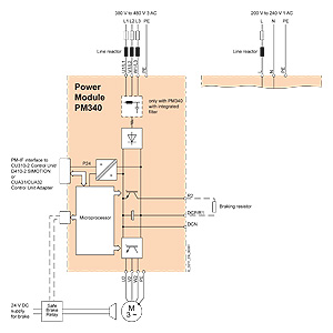
Силовые модули PM340 блочного формата подключаются через интерфейс PM−IF с управляющим модулем CU310 DP или адаптером управляющего модуля CUA31. Пример подключения силового модуля PM340 блочного формата
Силовой модуль PM340 блочного формата с управляющим модулем CU310 DP Силовой модуль PM340 блочного формата с адаптером управляющего модуля CUA31 Многие системные компоненты для силовых модулей PM340 являются каркасными компонентами. Т.е. компонент монтируется на крепежный лист, а силовой модуль PM340 устанавливается сверху, что позволяет сэкономить место. Макс. два каркасных компонета может быть смонтировано друг за другом.
✓ = возможен каркасный монтаж Схема расположения силовых модулей PM340 с каркасным сетевым дросселем Сетевые дроссели имеют клеммы со стороны сети и кабель с разъемами на стороне силовых модулей. У типоразмеров от FSA до FSC сетевые клеммы в смонтированном состоянии находятся сверху, у типоразмеров FSD и FSE снизу. PM модуль PM340 типоразмера FSA с сетевым дросселем и сетевым фильтром Если для типоразмера FSA дополнительно к сетевому дросселю используется сетевой фильтр, то компоненты должны быть расположены согласно рисунку выше. В этом случае подключение к сети находится снизу. Силовой модуль PM340 типоразмера FSA с сетевым дросселем и модулем двигателя Начиная от типоразмера FSB, Силовые модули могут заказываться со встроенными сетевыми фильтрами, в этом случае внешний сетевой фильтр не нужен. В случае более двух пригодных для каркасного монтажа системных компонентов, например, сетевой дроссель + тормозной резистор, отдельные компоненты должны быть смонтированы сбоку рядом с силовым модулем. При этом сетевой дроссель должен быть смонтирован под силовым модулем, тормозной резистор рядом сбоку. |
| Каталог 2018 | Каталог 2017 | Каталог 2016 | Каталог 2015 | Каталог 2014 | Каталог 2013 | Каталог 2012 | Сертификат | Контакты | Карта сайта | Поиск |


