|
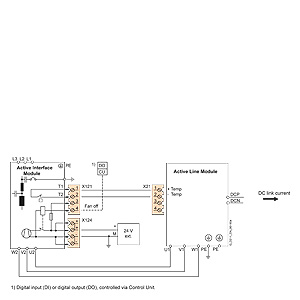
Пример подключения Активного интерфейсного модуля Активный интерфейсный модуль требует напряжение питания 24 В DC для работы встроенного вентилятора. Термостатический выключатель, установленный в Активном интерфейсном модуле, считывается с подключенного Активного модуля питания. Силовые кабели между Активным интерфейсным модулем и Активным модулем питания должны быть достаточно экранированы для подавления внешних помех. Экран может быть подключен через набор подключения экрана (опция) к Активному интерфейсному Модулу или Активному модулю питания. В зависимости от положения Активного интерфейсного модуля в системе приводов, могут потребоваться дополнительные кабели DRIVE-CLiQ. Если Активный интерфейсный модуль установлен с левой стороны Блока управления и Активного модуля питания, то никакие дополнительные кабели DRIVE-CLiQ не требуются. Если Активный интерфейсный модуль помещен между Блоком управления и Активным модулем питания, то кабели DRIVE-CLiQ, подводимые от Активного модуля питания, можно использовать для настройки топологии линии, т.е. подключение последовательно на одной линии DRIVE-CLiQ всех Моторных модулей и Активного модуля питания. Если Активный модуль питания подключен по отдельной линии DRIVE-CLiQ, то кабель DRIVE-CLiQ отмеченный (1) должен быть заказан. Кабель DRIVE-CLiQ, используемый для подключения (2), включен при поставке в комплектацию Активного модуля питания. Для подключения DRIVE-CLiQ в различных конфигурациях, смотрите раздел "Система связи". Отдельный Активный модуль питания Активный интерфейсный модуль, встроенный в цепочку приводов |
| Каталог 2018 | Каталог 2017 | Каталог 2016 | Каталог 2015 | Каталог 2014 | Каталог 2013 | Каталог 2012 | Сертификат | Контакты | Карта сайта | Поиск |


