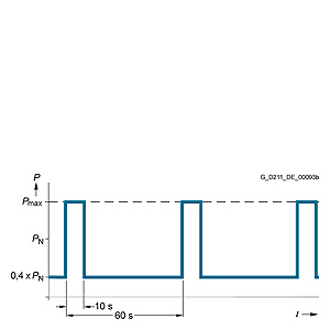
Перегрузочная способностьЦикл загрузки с предыдущей загрузкой Цикл загрузки с предыдущей загрузкой Цикл загрузки с предыдущей загрузкой Нормативные данныеВыходная мощность зависит от окружающей температуры Выходная мощность зависит от высоты при монтаже Снижение номинального напряжения зависит от высоты при монтаже Выходная мощность зависит от общей длины кабеля |
| Каталог 2018 | Каталог 2017 | Каталог 2016 | Каталог 2015 | Каталог 2014 | Каталог 2013 | Каталог 2012 | Сертификат | Контакты | Карта сайта | Поиск |


