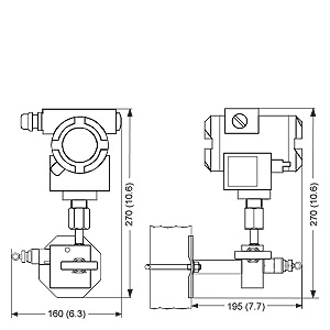
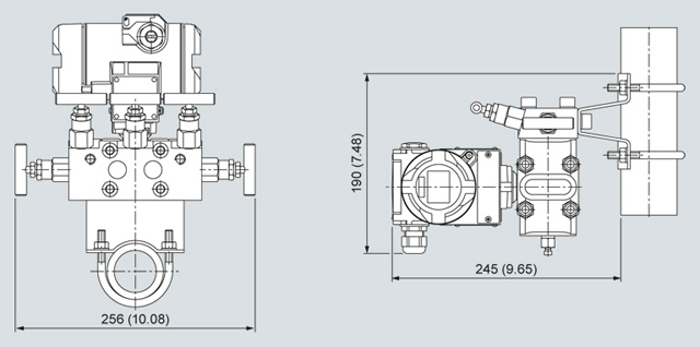
Valve manifolds mounted on SITRANS P DS IIIManifold 7MF9011-4EA with mounted relative pressure and absolute pressure transmitters Manifold 7MF9011-4EA with mounted relative pressure and absolute pressure transmitters, dimensions in mm (inch) Manifold 7MF9011-4FA with mounted relative pressure and absolute pressure transmitters Manifold 7MF9011-4FA with mounted relative pressure and absolute pressure transmitters, dimensions in mm (inch) Manifold 7MF9411-5BA with mounted differential pressure transmitter Manifold 7MF9411-5BA with mounted differential pressure transmitter, dimensions in mm (inch) Manifold 7MF9411-5CA with mounted differential pressure transmitter Manifold 7MF9411-5CA with mounted differential pressure transmitter, dimensions in mm (inch) Valve manifolds mounted on SITRANS P300Manifold 7MF9011-4EA with mounted relative pressure and absolute pressure transmitters Manifold 7MF9011-4EA with mounted relative pressure and absolute pressure transmitters, dimensions in mm (inch) Manifold 7MF9011-4FA with mounted relative pressure and absolute pressure transmitters Manifold 7MF9011-4FA with mounted relative pressure and absolute pressure transmitters, dimensions in mm (inch)
|
| Каталог 2018 | Каталог 2017 | Каталог 2016 | Каталог 2015 | Каталог 2014 | Каталог 2013 | Каталог 2012 | Сертификат | Контакты | Карта сайта | Поиск |


