|
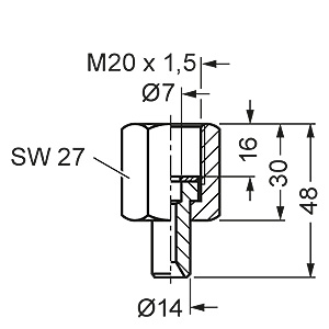
(G½)M56340-A0001 to -A0003 nipple connection, dimensions in mm M56340-A0008 nipple connection (M20 x 1.5), dimensions in mm M56340-A0004/-A0005 clamping sleeve, dimensions in mm M56340-A0006/-A0007 collar connection piece, dimensions in mm |
| Каталог 2018 | Каталог 2017 | Каталог 2016 | Каталог 2015 | Каталог 2014 | Каталог 2013 | Каталог 2012 | Сертификат | Контакты | Карта сайта | Поиск |



