|
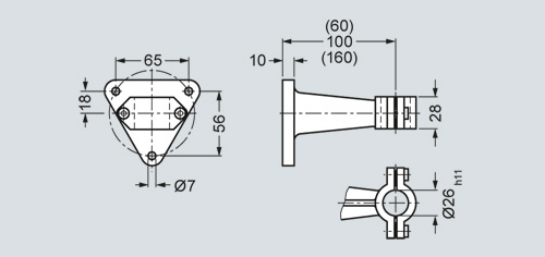
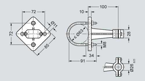
M56340-A0046/-A0047 instrument bracket form H, for wall mounting, dimensions in mm M56340-A0053/-A0079 instrument bracket form A, wall or pipe mounting, dimensions in mm |
| Каталог 2018 | Каталог 2017 | Каталог 2016 | Каталог 2015 | Каталог 2014 | Каталог 2013 | Каталог 2012 | Сертификат | Контакты | Карта сайта | Поиск |



