Siemens
СРЕДСТВА ПРОМЫШЛЕННОЙ АВТОМАТИЗАЦИИ
официальный партнер Сименс
Каталог СА01 2014
архивный
(4872) 700-366
skenergo@mail.ru
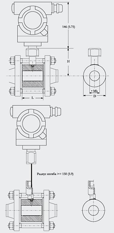
ENG: Remote seals of flange design

Connection to EN 1092-1

DN

PN

D

Mb

L

H

mm

bar

mm

mm

mm

mm

25

6 ... 100

63

28,5

60

78.5

40

6 ... 100

85

43

60

89.5

50

6 ... 100

95

54.5

60

92.5

80

6 ... 100

130

82.5

60

112

100

6 ... 100

150

107

60

122


Connection to ASME B16.5

DN

Class

D

Mb

L

H

(inch)

 

mm

mm

mm

mm

   

(inch)

(inch)

(inch)

(inch)

1

150 ... 2500

63

28.5

60

78.5

   

(2.48)

(1.12)

(2.36)

(3.1)

150 ... 2500

85

43

60

86

   

(3.35)

(1.69)

(2.36)

(3.4)

2

150 ... 2500

95

54.5

60

94.5

   

(3.74)

(2.15)

(2.36)

(3.72)

3

150 ... 2500

130

82.5

60

112

   

(5.12)

(3.25)

(2.36)

(4.4)

4

150 ... 2500

150

107

60

122

   

(5.9)

(4.21)

(2.36)

(4.8)


Clamp-on seal for flange-mounting, connected to SITRANS P pressure transmitter, dimensions in mm (inch)


































Каталог оборудования 2014
Каталог продуктов Siemens Industry Приводная техника Техника автоматизации Системы автоматизации Системы визуализации SIMATIC HMI Системы идентификации Промышленные коммуникации SIMATIC NET Промышленные аппараты управления SIRIUS Промышленные информационные технологии Управление на базе РС Системы управления процессом Датчики Контрольно-измерительные приборы Измерительные преобразователи для давления Transmitter for rel. pressure, abs. pressure, diff. pressure, flow and level SITRANS P remote seals (HID: print) Remote seals of sandwich design Remote seals of flange design Diaphragm seal, screwed gland, direct mounting and/or with capillary Quick-release remote seals Miniature diaphragm seals Flushing rings Remote seals of flange design Quick-release remote seals Measuring setups Fittings Датчики давления Приборы измерения температуры SITRANS T Расходомеры Уровнемеры Расходомеры и счетчики Позиционеры Устройство для защиты и пуска двигателей SIMOCODE-DP Сигнализаторы сбоев в промышленном процессе Дополнительные компоненты Коммуникации и программное обеспечение Аппаратные ПИД-регуляторы SIPART Встраиваемые самописцы и индикаторы Анализаторы процесса Технологии взвешивания Блоки питания Продукты для специальных требований Автоматизация и безопасность зданий Низковольтная коммутационная техника Технология безопасности Системные решения и продукты для отраслей Сервис ... и все, что Вам еще необходимо

  © ООО "СК ЭНЕРГО" 2007-2022
  (4872) 700-366  skenergo@mail.ru
Яндекс.Метрика