|
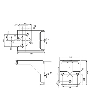
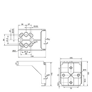
Mounting bracket for SITRANS P gage and absolute pressure transmitter, DS III series Mounting bracket for SITRANS P differential pressure transmitter, DS III series |
| Каталог 2018 | Каталог 2017 | Каталог 2016 | Каталог 2015 | Каталог 2014 | Каталог 2013 | Каталог 2012 | Сертификат | Контакты | Карта сайта | Поиск |


