Siemens
СРЕДСТВА ПРОМЫШЛЕННОЙ АВТОМАТИЗАЦИИ
официальный партнер Сименс
Каталог СА01 2014
архивный
(4872) 700-366
skenergo@mail.ru
ENG: SITRANS P500
Operation of electronics with HART communication

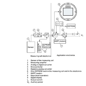
Function diagram of electronics

  • The input pressure is converted into an electrical signal by the sensor.
  • This signal is amplified by the measuring amplifier and digitalized in an analog-to-digital converter.
  • The digital signal is analyzed in a microcontroller and corrected according to linearity and thermal characteristics.
  • In a digital-to-analog converter it is then converted into the output current of 4 - 20 mA. When connected to supply lines, a diode circuit provides reverse polarity protection.
  • The measuring cell-specific data, the electronic data and the parameterization data is held in two EEPROMs. One EEPROM is incorporated into the measuring cell electronics, the other is incorporated into the application electronics.
Operation
  • The three keys enable you both to navigate and carry out parameterization and to visually track messages and process values, provided a digital display is available.
  • If you have a device without a digital display, you can carry out zero adjustment using the three keys. It is possible to retrofit a display at any time.
  • You can also carry out settings by computer via a HART modem.
Mode of operation of the measuring cells

Measuring cell for differential pressure and flow

Measuring cell for differential pressure and flow, function diagram

  • The differential pressure is transmitted via the seal diagrams and the filling liquid to the silicon pressure sensor.
  • If the measuring limits are exceeded, the overload diaphragm flexes until it makes contact with the body of the measuring cell. This protects the sensor model from overload.
  • The differential pressure causes the measuring diaphragm of the silicon pressure sensor to flex.
  • The displacement changes the resistance value of the 4 piezo resistors in the measuring diaphragm in a bridge circuit.
  • The change in the resistance causes a bridge output voltage proportional to the input pressure.

Measuring cell for level

Measuring cell for level, function diagram

  • The input pressure (hydrostatic pressure) acts hydraulically on the measuring cell via the seal diaphragm on the mounting flange.
  • The differential pressure applied to the measuring cell is transmitted via the seal diaphragm and the filling liquid to the silicon pressure sensor.
  • If the measuring limits are exceeded, the overload diaphragm flexes until it makes contact with the body of the measuring cell. This protects the silicon pressure sensor from overload.
  • The differential pressure causes the measuring diaphragm of the silicon pressure sensor to flex.
  • The displacement changes the resistance value of the 4 piezo resistors in the measuring diaphragm in a bridge circuit.
  • The change in the resistance causes a differential pressure proportional to the input pressure.
Parameterization of SITRANS P500 HART

Depending on the version, there are a range of options for parameterizing the pressure transmitter and for setting or scanning the parameters.

Parameterization using the input keys (local operation)

You can parameterize the transmitter in situ using the three keys provided a display is available. If you have no display, you can only carry out zero adjustment.

It is possible to retrofit a display. See accessories.

Parameterization using HART communication

Parameterization using HART communication is carried out using a HART Communicator or a PC in conjunction with a HART modem.

Communication between a HART Communicator and a pressure transmitter

When parameterizing with the HART Communicator, the connection is made directly to the 2-wire cable.

HART communication between a PC communicator and a pressure transmitter

For parameterizing via PC a HART modem is used which connects the transmitter to the PC.

The signals needed for communication in conformity with the HART 6.0 protocols are superimposed on the output current using the Frequency Shift Keying (FSK) method.

The necessary device files are available for download on the Internet.

SITRANS P500 parameterization options

The transmission offers you full parameterizing options both via HART as well as in situ provided the optional display is available.

For simple parameterizing we also offer the easy to understand QuickStart function with guided commissioning.

SITRANS P500D diagnostic functions

  • Maintenance timer
  • Slave pointer (can be reset/cannot be reset)
    • Pressure (incl. time and temperature)
    • Static pressure (incl. time and temperature)
    • Sensor temperature (incl. time stamp)
    • Electronic temperature (incl. time stamp)
  • Limit transmitter
  • Diagnostics warning
  • Diagnostics alarm
  • Simulation functions
  • Display of trends and histograms
  • Operating hours meter

Physical dimensions available for the SITRANS P500 HART display

Physical variable

Physical dimensions

Pressure (setting can also be made in the factory)

Pa, MPa, kPa, bar, mbar, torr, atm, psi, g/cm2, kg/cm2, inH2O, inH2O (4 °C), mmH2O, ftH2O (20 °C), inHg, mmHg

Level (height data)

m, cm, mm, ft, in

Volume

m3, dm3, hl, yd3, ft3, in3, US gallon, lmp. gallon, bushel, barrel, barrel liquid

Mass

g, kg, t, lb, Ston, Lton, oz

Volume flow

m3/d, m3/h, m3/s, l/min, l/s, ft3/d, ft3/min, ft3/s, US gallon/min, US gallon/s

Mass flow

t/d, t/h, t/min, kg/d, kg/h, kg/min, kg/s, g/d, g/h, g/min, g/s, lb/d, lb/h, lb/min, lb/s, LTon/d, LTon/h, STon/d, STon/h, STon/min

Temperature

K, °C, °F, °R

Miscellaneous

%, mA



































Каталог оборудования 2014
Каталог продуктов Siemens Industry Приводная техника Техника автоматизации Системы автоматизации Системы визуализации SIMATIC HMI Системы идентификации Промышленные коммуникации SIMATIC NET Промышленные аппараты управления SIRIUS Промышленные информационные технологии Управление на базе РС Системы управления процессом Датчики Контрольно-измерительные приборы Измерительные преобразователи для давления Transmitter for rel. pressure, abs. pressure, diff. pressure, flow and level Measurement transducer for basic requirements Mransmitter with WirelessHART-communication Transmitters for food, pharmaceuticals and biotechnology Transmitter for gauge pressure for the paper industry Transmitter for general requirements Transmitter for high-end requirements SITRANS P500 For differential pressure and flow For filling level Аксессуары SITRANS P remote seals (HID: print) Fittings Датчики давления Приборы измерения температуры SITRANS T Расходомеры Уровнемеры Расходомеры и счетчики Позиционеры Устройство для защиты и пуска двигателей SIMOCODE-DP Сигнализаторы сбоев в промышленном процессе Дополнительные компоненты Коммуникации и программное обеспечение Аппаратные ПИД-регуляторы SIPART Встраиваемые самописцы и индикаторы Анализаторы процесса Технологии взвешивания Блоки питания Продукты для специальных требований Автоматизация и безопасность зданий Низковольтная коммутационная техника Технология безопасности Системные решения и продукты для отраслей Сервис ... и все, что Вам еще необходимо

  © ООО "СК ЭНЕРГО" 2007-2022
  (4872) 700-366  skenergo@mail.ru
Яндекс.Метрика