|
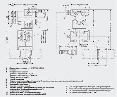
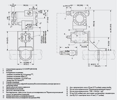
SITRANS P pressure transmitters, DS III HART series for differential pressure and flow, dimensions in mm (inch) SITRANS P pressure transmitters, DS III PA and FF series for differential pressure and flow, option "H03", dimensions in mm (inch) SITRANS P pressure transmitters, DS III HART series for differential pressure and flow, with process covers for vertical differential pressure lines, dimensions in mm (inch) SITRANS P pressure transmitters, DS III PA and FF series for differential pressure and flow, with process covers for vertical differential pressure lines, option "H03", dimensions in mm (inch) SITRANS P pressure transmitters, DS III series for differential pressure and flow, with process covers for vertical differential pressure lines SITRANS P pressure transmitters, DS III FF series for differential pressure and flow, with digital indicator beside control keys, for vertical differential pressure lines, dimensions in mm (inch) SITRANS P pressure transmitters, DS III series for differential pressure and flow, with digital indicator beside control keys |
| Каталог 2018 | Каталог 2017 | Каталог 2016 | Каталог 2015 | Каталог 2014 | Каталог 2013 | Каталог 2012 | Сертификат | Контакты | Карта сайта | Поиск |



