|
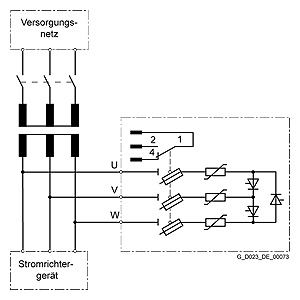
SICROWBAR AC модуль защиты от перенапряжения используется для защиты силовых полупроводниковых элементов (тиристоров и диодов) в преобразователях от перенапряжений между фазами трехфазной сети питания. Спектр применения не ограничивается защитой преобразователя постоянного тока, а также может быть использован для питания / рекуперации блоков системы привода переменного тока, которые оснащены тиристорами. Перенапряжение, которое происходит на стороне переменного тока преобразователей в основном вызваны переключениями при отключении от сетевого питания на первичной обмотке трансформатора. Это относится как к оперативным переключениям (выключение в ненагруженном состоянии), а также в случае отказа (отключения под нагрузкой). Защита от перенапряжения используется обычно в следующей конфигурации: |
| Каталог 2018 | Каталог 2017 | Каталог 2016 | Каталог 2015 | Каталог 2014 | Каталог 2013 | Каталог 2012 | Сертификат | Контакты | Карта сайта | Поиск |


