Siemens
СРЕДСТВА ПРОМЫШЛЕННОЙ АВТОМАТИЗАЦИИ
официальный партнер Сименс
Каталог СА01 2014
архивный
(4872) 700-366
skenergo@mail.ru
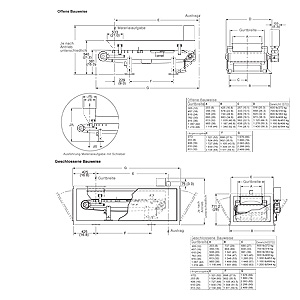
SITRANS WW200

Размеры SITRANS WW200 

 

Открытая конструкция

     

Ширина ленты

A

B

C

305 мм

696 мм

257 мм

425 мм

457 мм

848 мм

333 мм

578 мм

610 мм

1000 мм

410 мм

730 мм

762 мм

1153 мм

486 мм

883 мм

914 мм

1305 мм

562 мм

1035 мм

1067 мм

1458 мм

638 мм

1187 мм

1219 мм

1610 мм

715 мм

1340 мм


 

 

Закрытая конструкция

     

Ширина ленты

A

B

C

305 мм

846 мм

660 мм

711 мм

457 мм

999 мм

813 мм

864 мм

610 мм

1151 мм

965 мм

1016 мм

762 мм

1304 мм

1118 мм

1168 мм

914 мм

1452 мм

1270 мм

1321 мм

1067 мм

1608 мм

1422 мм

1473 мм

1219 мм

1761 мм

1575 мм

1626 мм


 


































Каталог оборудования 2014

  © ООО "СК ЭНЕРГО" 2007-2022
  (4872) 700-366  skenergo@mail.ru
Яндекс.Метрика