|
Преобразователи частоты SINAMICS G110D в стандартном исполнении имеют следующие интерфейсы:
Последовательный интерфейс идентичен у SINAMICS G120D и у SIRIUS M200D.
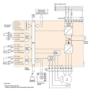
SINAMICS G110D со встроенным фильтром класса А, диаграмма подключения |
| Каталог 2018 | Каталог 2017 | Каталог 2016 | Каталог 2015 | Каталог 2014 | Каталог 2013 | Каталог 2012 | Сертификат | Контакты | Карта сайта | Поиск |


