|
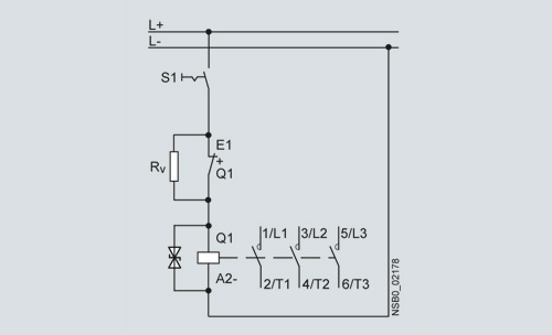
Для работы на объектах, которые подвержены значительным колебаниям напряжения управления и высокой температуре окружающей среды, например, применение на железных дорогах в экстремальных климатических условиях, на прокатных станах и т.д. Кроме того, для контроля напряжения питания резервных аккумуляторных батарей с целью продления времени работы, если не удается осуществить их зарядку. Контакторы 3RT20 без последовательного резистораЦепи управления и вспомогательные Эти контакторы имеют расширенный рабочий диапазон напряжения от 0.7 до 1.25 x Us; в типоразмере S00 катушка снабжена помежоподавляющим диодом, в типоразмере S0 - варисторами. Дополнительный резистор не требуется. Примечание: Дополнительный блок вспомогательных контактов не требуется. Монтаж При температуре окружающей среды > 60 °C ≤ 70 °C и установке контакторов рядом друг с другом необходимо обеспечить расстояние между ним не менее 10 мм. Контакторы 3RT20 1. с последовательным резисторомЦепи управления и вспомогательные Катушки электромагнита контактора имеют расширенный рабочий диапазон напряжения от 0.7 до 1.25 x Us и стандартно снабжаются помехоподавляющим диодом для защиты от коммутационных перенапряжений. Магнитные системы постоянного тока контакторов модифицированы (для создания возбуждения удержания) посредством последовательного резистора. Контакторы типоразмера S00 поставляются готовыми к подключению с втычным модулем, содержащим последовательный резистор. Помехоподавляющий диод интегрирован. 4-полюсный блок вспомогательных контактов (в соответствии с EN 50005) может быть установлен дополнительно. Принципиальная электрическая схема показывает назначение зажимов на каждом контакторе. Один НЗ вспомогательный контакт необходим для функционирования последовательного резистора. Данные для выбора и заказа отображают количество дополнительных незадействованных вспомогательных контактов. Контакторы типоразмера S00 допускают расширение количества вспомогательных контактов. Монтаж рядом друг с другом Контакторы типоразмера S00 при температуре окружающей среды до 70°C допускают установку вплотную друг к другу. Контакторы 3RT20 2 с полупроводниковым приводом и расширенным рабочим диапазономЦепи управления и вспомогательные Катушки электромагнитов контакторов имеют расширенный рабочий диапазон напряжений - от 0.7 до 1.3 x Us и стандартно снабжены варисторами для обеспечения защиты от коммутационных перенапряжений. Напряжение на катушки контакторов подается через предвключенный электронный блок, который обеспечивает рабочий диапазон напряжений катушки от 0.7 до 1.3 x Us при температуре окружающей среды 70 °C. Контакторы являются комплектными устройствами с интегрированным электронным блоком катушки. Встроенный варистор служит для гашения коммутационный перенапряжений в катушке. Возможна установка блоков вспомогательных контактов так же как на обычные контакторы для коммутации двигателей соответствующего типоразмера. Установка рядом друг с другом Установка бок о бок контакторов этого исполнения типоразмера S0 допускается при температуре окружающей среды до 70°C. |
| Каталог 2018 | Каталог 2017 | Каталог 2016 | Каталог 2015 | Каталог 2014 | Каталог 2013 | Каталог 2012 | Сертификат | Контакты | Карта сайта | Поиск |


