Siemens
СРЕДСТВА ПРОМЫШЛЕННОЙ АВТОМАТИЗАЦИИ
официальный партнер Сименс
Каталог СА01 2014
архивный
(4872) 700-366
skenergo@mail.ru
Общее
  • 19" модуль с высотой 4HU для установки
    - в шарнирных рамах
    - в шкафах, с или без скользящих направляющих
  • Расходомер газа-пробы на лицевой панели;
    Опция: встроенный насос газа-пробы (стандарт для настольной версии)
  • Газовые соединения для ввода и вывода газа-пробы, а также нулевого газа: диаметр трубки 6 мм или ¼''
  • Газовые и электрические соединения на задней стороне (портативная версия: ввод газа-пробы спереди).
Дисплей и панель управления
  • Управление согласно рекомендациям NAMUR
  • Простое, быстрое программирование и ввод анализатора в эксплуатацию
  • Большой ЖК-дисплей с подсветкой для измеряемых значений
  • Ввод через меню для программирования, функций тестирования и калибровки
  • Моющаяся мембранная клавиатура
  • Текстовая система помощи пользователю
  • Программное обеспечение на 6 языках.
Входы и выходы
  • Три цифровых входа для вкл/выкл насоса газа-пробы, включения AUTOCAL и синхронизации нескольких устройств
  • Восемь релейных выходов могут быть свободно сконфигурированы для сигнализации ошибок, запроса на обслуживание, пределов, идентификации диапазона и внешних электромагнитных клапанов
  • Восемь дополнительных цифровых входов и релейных выходов в качестве опции
  • Электрически изолированные аналоговые выходы.
Коммуникация
  • RS 485 присутствует в базовом модуле
    (подключение сзади).

Опции

  • Преобразователь RS 485/RS 232
  • Преобразователь RS 485/Ethernet
  • Подключение в сети через интерфейс PROFIBUS DP/PA
  • ПО SIPROM GA в качестве инструмента обслуживания и сопровождения.

ULTRAMAT 23, мембранная клавиатура и графический дисплей

Исполнение деталей, контактирующих с веществом

Газовый путь

 

19" модуль

Настольный модуль

Со шлангами

Конденсационная ловушка/ввод газа

-

PA ( полиамид )

Конденсационная ловушка

-

PE (полиэтилен)

Газовые соединения 6 мм

PA (полиамид)

PA ( полиамид )

Газовые соединения 1/4"

нерж. сталь, номер типа 1.4571

нерж. сталь, номер типа 1.4571

Шланг

FPM (Viton)

FPM (Viton)

Реле давления

FPM (Viton) + PA6-3-T (Trogamide)

FPM (Viton) + PA6-3-T (Trogamide)

Расходомер

PDM/Duran glass/X10CrNiTi1810

PDM/Duran glass/X10CrNiTi1810

Угольники/тройники

PA6

PA6

Внутренний насос

PVDF/PTFE/EPDM/FPM/Trolene/нерж. сталь, номер типа  1.4571

PVDF/PTFE/EPDM/FPM/Trolene/нерж. сталь, номер типа  1.4571

Электромагнитный клапан

FPM70/Ultramide/1.4310/1.4305

FPM70/Ultramide/1.4310/1.4305

Резервуар безопасности

PA66/NBR/PA6

PA66/NBR/PA6

Ячейка пробы

 

 

  • Корпус

Алюминий

Алюминий

  • Покрытие ячейки

Алюминий

Алюминий

  • Патрубок

нерж. сталь, номер типа  1.4571

нерж. сталь, номер типа  1.4571

  • Окно

CaF2

CaF2

  • Связывающее вещество

E353

E353

  • O-кольцо

FPM (Viton)

FPM (Viton)

С трубками

Газовые соединения (6 мм / 1/4")

нерж. сталь, номер типа 1.4571

 

Трубы

нерж. сталь, номер типа  1.4571

 

Ячейка пробы

 

 

  • Корпус

Алюминий

 

  • Покрытие ячейки

Алюминий

 

  • Патрубок

нерж. сталь, номер типа  1.4571

 

  • Окно

CaF2

 

  • Связывающее вещество

E353

 

  • O-кольцо

FPM (Viton)

 


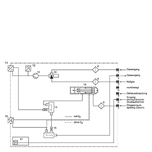
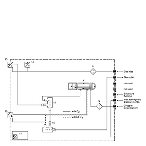
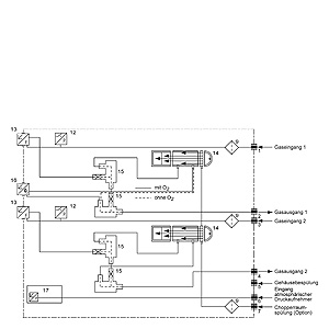
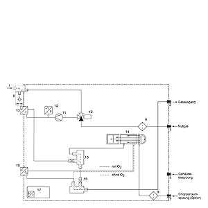
ULTRAMAT 23, конструкция

Газовые пути

Обозначения в рисунках газовых путей

1

Вход газа-пробы/калибровочного газа

9

Защитный фильтр тонкой очистки

2

Выход газа

10

Электромагнитный клапан

3

Вход для AUTOCAL/нулевого газа или
Вход для газа-пробы/регулировочного газа (канал 2)

11

12

Насос газа пробы

Реле давления

4

Выход газа (канал 2)

13

Расходомер

5

Продувка корпуса

14

Секция анализатора

6

Вход датчика атмосферного давления

15

Защитная конденсационная ловушка

7

Вход продувки камеры корпуса/прерывателя

16

Измерительная ячейка для кислорода

8

Конденсационная ловушка с фильтром

17

Датчик атмосферного давления


 

ULTRAMAT 23, портативный, в корпусе из листовой стали с внутренним насосом газа-пробы, конденсационная ловушка с защитным фильтром на лицевой панели, опциональное измерение кислорода

ULTRAMAT 23, 19" модуль, с внутренним насосом газа-пробы, опциональное измерение кислорода

ULTRAMAT 23, 19" модуль, без внутреннего насоса газа-пробы, опциональное измерение кислорода

 

ULTRAMAT 23, 19" модуль, без внутреннего насоса газа-пробы, с отдельным газовым путем для второго компонента или для 2-го и 3-го компонентов, опциональное измерение кислорода

ULTRAMAT 23, 19" модуль, версия пути газа-пробы из трубок, опциональный отдельный путь газа-пробы, всегда без насоса газа-пробы, без защитного фильтра и без защитной ловушки


































Каталог оборудования 2014
Каталог продуктов Siemens Industry Приводная техника Техника автоматизации Системы автоматизации Системы визуализации SIMATIC HMI Системы идентификации Промышленные коммуникации SIMATIC NET Промышленные аппараты управления SIRIUS Промышленные информационные технологии Управление на базе РС Системы управления процессом Датчики Контрольно-измерительные приборы Анализаторы процесса Непрерывные анализаторы газов Непрерывные анализаторы газов, эктрактивные Введение SIPROCESS GA700 ULTRAMAT 23 Общее 19 rack unit and portable version Documentation Suggestions for spare parts ULTRAMAT 6 ULTRAMAT/OXYMAT 6 OXYMAT 6 OXYMAT 61 OXYMAT 64 CALOMAT 6 CALOMAT 62 FIDAMAT 6 SIPROCESS UV600 Непрерывный газовый анализ, in-situ Промышленные газовые хроматографы Analytical Application Sets General information Технологии взвешивания Блоки питания Продукты для специальных требований Автоматизация и безопасность зданий Низковольтная коммутационная техника Технология безопасности Системные решения и продукты для отраслей Сервис ... и все, что Вам еще необходимо

  © ООО "СК ЭНЕРГО" 2007-2022
  (4872) 700-366  skenergo@mail.ru
Яндекс.Метрика