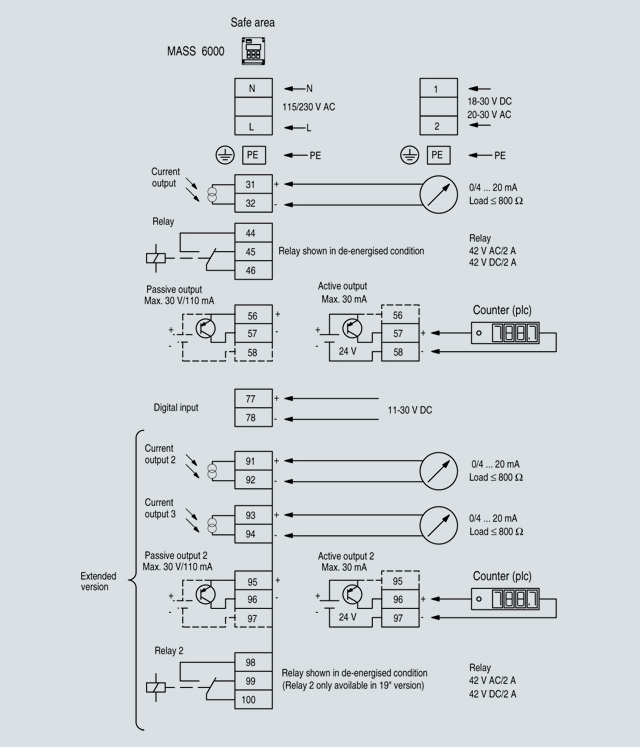
Электрическое соединениеЗаземление PE требуется из-за питания класса защиты 1. Механические счётчики Если к соединениям 57 и 58 подключается механический счетчик (активный выход), то необходимо подключить конденсатор 1000 µF к соединениям 56 и 58, плюсовой полюс к соединению 56 и минусовой полюс к соединению 58. Выходной кабель В окружении с электрическими помехами рекомендуется использовать экранированный кабель Электрическое соединениеПреобразователь сигналов MASS 6000 и преобразователь расхода MASS MC1
Ex application MASS 6000 and MASS MC1 in Ex application: „e“ certified products (increased safety) to a certain voltage level can be connected to equipment in the safe area which are designed to guarantee no higher voltage than specified on the „e“ certified equipment. For the MASS 6000 / MC1 this means: All secondary circuits/terminals can be considered as limited circuits with non-hazardous voltage of max. 60 V.
|
| Каталог 2018 | Каталог 2017 | Каталог 2016 | Каталог 2015 | Каталог 2014 | Каталог 2013 | Каталог 2012 | Сертификат | Контакты | Карта сайта | Поиск |



