|
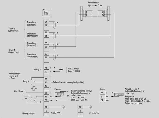
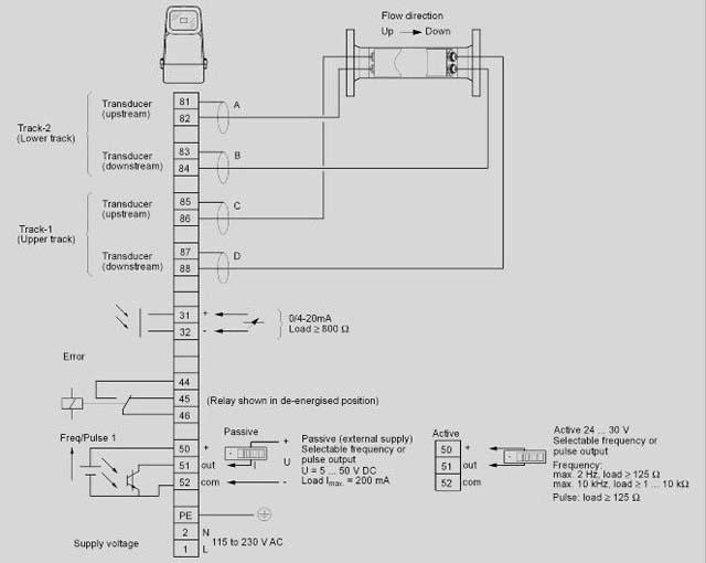
SONO 3000/3300 CT (версия IP67), электрическое подключение SONO 3000/3300 CT (настенный монтаж), электрическое соединение |
| Каталог 2018 | Каталог 2017 | Каталог 2016 | Каталог 2015 | Каталог 2014 | Каталог 2013 | Каталог 2012 | Сертификат | Контакты | Карта сайта | Поиск |


