|
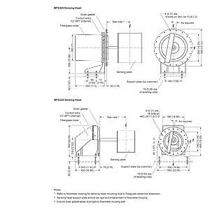
Размеры сенсорной головки ILE |
| Каталог 2018 | Каталог 2017 | Каталог 2016 | Каталог 2015 | Каталог 2014 | Каталог 2013 | Каталог 2012 | Сертификат | Контакты | Карта сайта | Поиск |


|
Размеры сенсорной головки ILE |
|
© ООО "СК ЭНЕРГО" 2007-2022 (4872) 700-366 skenergo@mail.ru |
|