|
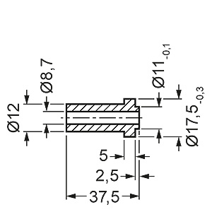
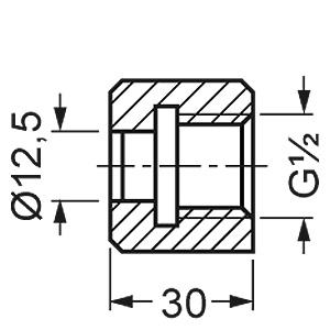
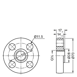
Резьбовой фланец, размеры в мм Ниппель G½, размеры в мм Накидная гайка G½, размеры в мм Уплотнительное кольцо, размеры в мм |
| Каталог 2018 | Каталог 2017 | Каталог 2016 | Каталог 2015 | Каталог 2014 | Каталог 2013 | Каталог 2012 | Сертификат | Контакты | Карта сайта | Поиск |



