УказанияПодробную информацию (расстояние от металла, расстояние между SLG и т.д.) можно найти в "MOBY U Manual for Configuration, Assembly and Service [Руководство по конфигурированию, сборке и обслуживанию MOBYU]“. Эксплуатационные характеристики (экономичный режим работы батареи)В отличие от индуктивных идентификационных систем, работающих на радиочастотах (RFID-систем), системы, работающие в диапазоне сверхвысоких частот (УВЧ), демонстрируют при передаче поведение, подобное электромагнитным волнам. Длина волны составляет около 13 см. Металлические поверхности отражают эти волны, и они через эти поверхности не проникают. Несмотря на низкую мощность излучения УВЧ-системы имеют относительно большое рабочее расстояние. Излучаемое поле имеет диаграмму направленности, которая зависит от конструкции антенны. Чтобы поддерживать низкие энергетические потребности MDS и обеспечить удобство определения местоположения, MOBY U имеет различные функциональные зоны, которые зависят от направления и расстояния. Эти три различных зоны передающего поля идентифицируются различными состояниями и реакциями затронутых компонентов. Циклический режим MDS U589 при температурах > 85 °CПри температурах до +85 °C в циклическом режиме нет необходимости, т.е. до этой температуры MDS может находиться в работе постоянно Пусть, например, зона 3 – это зона, свободная от поля SLG. MDS "спит" и только прислушивается каждые 0,5 с к наличию признаков жизни от SLG. Это означает очень низкое потребление энергии. Если другие пользователи УВЧ поблизости занимают тот же самый частотный диапазон, то это не оказывает влияния на MDS, так как для его пробуждения нужен специальный код. Если MDS, находящийся поблизости активного SLG, получает этот специальный код, он переходит в зону 2 (см. рисунок). Он немедленно принимает сигнал SLG и коротко отвечает своим собственным идентификатором. Однако SLG игнорирует любой MDS, если он не находится в зоне 1, параметр радиуса которой может быть установлен ступенями в SLG. Потребление энергии в зоне 2 незначительно выше, чем в зоне 3. Если MDS входит в зону 1, он надлежащим образом регистрируется SLG, и обмен данными может начинаться. Теперь могут выполняться все функции чтения и записи. Однако, так как скорость передачи у радиоинтерфейса очень велика (80 Кбит/с), общее время обмена данными очень мало. Например, все байты 32-килобайтной памяти считываются примерно за 8 секунд. Это значит, что обмен данными не создает большой нагрузки на батарею.
Монтаж на полозьях, напр., на поперечной подаче
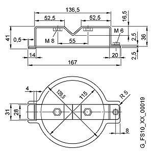
Универсальная поддержка
SLG U92 со встроенной антенной
Пример: идентификация кузова автомобиля
Пример: идентификация грузовой платформы
|
|||||||||||||||||||||||||
| Каталог 2018 | Каталог 2017 | Каталог 2016 | Каталог 2015 | Каталог 2014 | Каталог 2013 | Каталог 2012 | Сертификат | Контакты | Карта сайта | Поиск |


