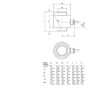
|
НПВ |
a |
Ød |
ØD |
H |
k |
L |
R |
|---|---|---|---|---|---|---|---|
|
2.8, 6 t |
8 |
16.7 |
45 |
40 |
40 |
56 |
50 |
|
13 t |
12 |
24.5 |
55 |
44 |
45 |
68 |
66 |
|
28 t |
14 |
36 |
64 |
46 |
48 |
74 |
72 |
|
60 t |
20 |
52.7 |
90 |
50 |
63 |
90 |
100 |
|
130 t |
26 |
77.5 |
121 |
64 |
78 |
116 |
125 |
|
280 t |
45 |
114 |
165 |
80 |
100 |
170 |
183 |
SIWAREX WL270 K-S CA датчик веса, размеры в мм



