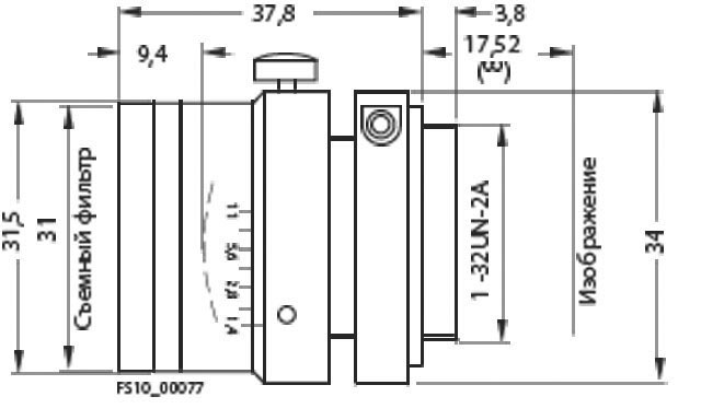
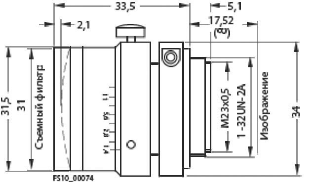
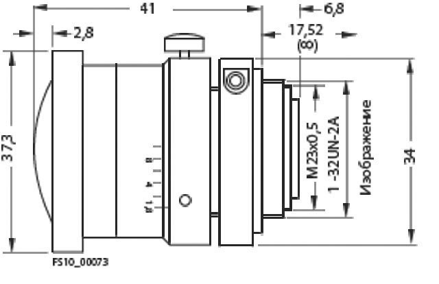
Линза 6GF9 001-1BL01:
Линза 6GF9 001-1BF01:
Линза 6GF9 001-1BG01:
Линза 6GF9 001-1BH01:
Линза 6GF9 001-1BJ01:
Линза 6GF9 001-1BE01:
Линза 6GF9 001-1AQ:
Линза 6GF9 001-1AU:
Линза 6GF9 001-1AV:
Линза 6GF9 001-1AE:
Линза 6GF9 001-1AJ:
Линза 6GF9 001-1AK:
Линза 6GF9 001-1AL:
Линза 6GF9 001-1AF:
Фильтры 6GF9 001-2AC, 6GF9 001-2AB, 6GF9 001-2AA:
Макроинтерфейс 6GF9 001-1AN:
Набор промежуточных колец Pentax 6GF9 001-1BU:
Макросистема 6GF9 001-1AN:


