Силовые модули PM340 блочного формата подключаются через интерфейс PM−IF с управляющим модулем CU310 DP или адаптером управляющего модуля CUA31.
Пример подключения силового модуля PM340 блочного формата
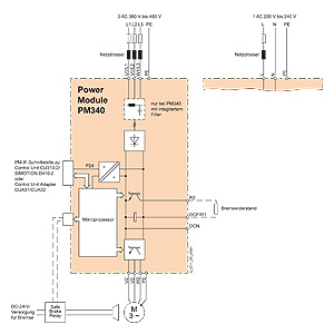
Силовой модуль PM340 блочного формата с управляющим модулем CU310 DP
Силовой модуль PM340 блочного формата с адаптером управляющего модуля CUA31
Многие системные компоненты для силовых модулей PM340 являются каркасными компонентами. Т.е. компонент монтируется на крепежный лист, а силовой модуль PM340 устанавливается сверху, что позволяет сэкономить место. Макс. два каркасных компонета может быть смонтировано друг за другом.
|
FSA |
FSB |
FSC |
FSD |
FSE |
FSF |
|
|---|---|---|---|---|---|---|
|
Сетевой |
✓ |
– |
– |
– |
– |
– |
|
Сетевой |
✓ |
✓ |
✓ |
✓ |
✓ |
O |
|
Тормозной |
✓ |
✓ |
O |
O |
O |
O |
|
Дроссель |
✓ |
✓ |
✓ |
O |
O |
O |
✓ = возможен каркасный монтаж
O = каркасный монтаж невозможен
– = недоступно (необходимо использовать силовой модуль со встроенным фильтром)
Схема расположения силовых модулей PM340 с каркасным сетевым дросселем
Сетевые дроссели имеют клеммы со стороны сети и кабель с разъемами на стороне силовых модулей. У типоразмеров от FSA до FSC сетевые клеммы в смонтированном состоянии находятся сверху, у типоразмеров FSD и FSE снизу.
PM модуль PM340 типоразмера FSA с сетевым дросселем и сетевым фильтром
Если для типоразмера FSA дополнительно к сетевому дросселю используется сетевой фильтр, то компоненты должны быть расположены согласно рисунку выше. В этом случае подключение к сети находится снизу.
Силовой модуль PM340 типоразмера FSA с сетевым дросселем и модулем двигателя
Начиная от типоразмера FSB, Силовые модули могут заказываться со встроенными сетевыми фильтрами, в этом случае внешний сетевой фильтр не нужен.
В случае более двух пригодных для каркасного монтажа системных компонентов, например, сетевой дроссель + тормозной резистор, отдельные компоненты должны быть смонтированы сбоку рядом с силовым модулем. При этом сетевой дроссель должен быть смонтирован под силовым модулем, тормозной резистор рядом сбоку.


