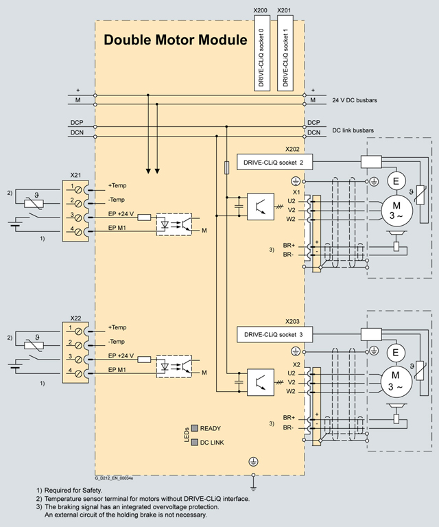
Двухдвигательные модули связаны c модулем управления по DRIVE‑CLiQ.
Пример подключения двухдвигательного модуля книжного формата (2 × 3 A до 2 × 18 A )


Двухдвигательные модули связаны c модулем управления по DRIVE‑CLiQ.
Пример подключения двухдвигательного модуля книжного формата (2 × 3 A до 2 × 18 A )
|
© ООО "СК ЭНЕРГО" 2007-2022 (4872) 700-366 skenergo@mail.ru |
|