Базовый модуль питания подключается к модулю управления CU320 или SIMOTION D4x5 по DRIVE-CLiQ. Карточка CompactFlash с системным ПО версия 2.5 и выше необходима для работы базового модуля питания.
Пример подключения 20 кВт и 40 кВт базовых модулей питания в книжном формате
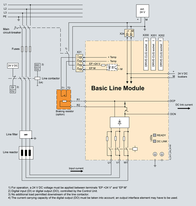
Примечание: Термопереключатель в тормозном резисторе должен подключаться к цифровому входу привода для генерации сообщения об ошибке при термической перегрузке резистора. Если тормозного резистора нет то между X21.1 и X21.2 должна подключаться перемычка.
Пример подключения 100 кВт Базового модуля питания в книжном формате


