Блок контроля CU310 DP использует модули питания в блоковом формате с использованием PM IF-интерфейса. В этом случае другие компоненты DRIVE-CLiQ, такие как модули датчиков или терминалов могут быть подключены к сокету DRIVE-CLiQ на блоке управления CU310 DP.
Модули питания в формате для подключения к шасси управляются блоком управления CU310 DP с использованием DRIVE-CLiQ интерфейса. С этим параметром модули датчиков и терминалов должны быть подключены к свободным сокетам DRIVE на блоке питания.
Настройки параметров можно изменить, используя базовую панель оператора BOP20, Панель BOP20 также может быть подключена к блоку управления CU310 DP в рабочем процессе для выполнения процедур диагностики.
Блок управления CU310 DP и другие подключенные компоненты вводятся в эксплуатацию и диагностируются с помощью средства STARTER.
Блок управления CU310 DP взаимодействует с системами правления более высокого уровня с помощью PROFIBUS и профиля PROFIdrive V4, Интегрированные функции безопасности, такие как "Защитный механизм отключения привода“ (= "Безопасное отключение“) должны быть разделены на два канала. Два цифровых входа на блоке управления CU310 DP необходимы для выполнения этой задачи.
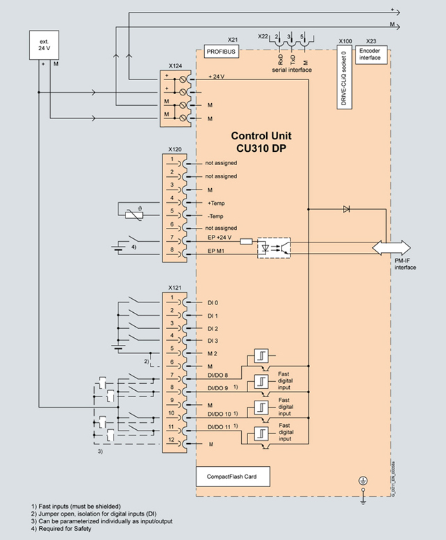
Пример подключения CU310 DP Control Unit


