Способность выдерживать перегрузки
Блоки питания Модулей Линии, Модулей Двигателя и Силовых Модулей разработаны для кратких перегрузок, т.е. в течение коротких промежутков времени Модули способны выдавать больше, чем номинальный ток Irated. В данном случае используется теплоаккумулирующая способность теплопоглощающего устройства, что обеспечивает соответствующие тепловые константы времени. Силовые полупроводники и цепь токового считывания оцениваются значением максимального тока Imax, которое не должно превышаться. Способность выдерживать перегрузки определяется Imax, Irated и тепловыми константами времени. Количество рабочих циклов указано в технической документации к блокам питания. Утилита конфигурации SIZER рассчитывает нагрузку на основе указанного рабочего цикла с вспомогательными временными характеристиками, а затем определяет требуемый блок питания.
Снижение номинальных значений характеристических кривых
Блоки питания могут работать с номинальным током или мощностью и указанной частотой следования импульсов при внешней температуре, не превышающей 40 °C (104°F). В данной рабочей точке теплопоглощающее устройство достигает максимально допустимой температуры. Если внешняя температура превысит 40 °C (104°F), то для предотвращения перегрева теплопоглощающего устройства должна быть снижена теплоотдача.
При заданном токе теплоотдача увеличивается пропорционально частоте следования импульсов. Чтобы не превысить максимальную теплоотдачу и температуру теплопоглощающего устройства для более высоких частот следования импульсов, номиныльный выходной ток Irated должен быть понижен. Когда для частоты следования импульсов применяется поправочный коэффициент kf, значение номинального выходного тока Iratedf приводится в соответствие выбранной частоте следования импульсов.
При настройке привода обратите внимание, что блоки питания могут не обеспечивать в полном объёме заявленной величины тока или мощности при температуре от 40 °C (104°F) до 55 °C (131°F). Блоки питания определяют температуру теплопоглощающего устройства и защищают себя от тепловой перегрузки при температурах > 40 °C (104°F).
Давление воздуха, а вследствие этого и плотность воздуха, снижаются на высотах выше уровня моря. На данных высотах то же количество воздуха не обеспечивает того же охлаждающего эффекта, а воздушный зазор между двумя электрическими проводниками может предохранять только от низкого напряжения. Типичные значения давления воздуха:
0 м над уровнем моря: 100 кПа
2000 м (6562 футов) над уровнем моря: 80 кПа
3000 м (9843 футов) над уровнем моря: 70 кПа
4000 м (13124 футов) над уровнем моря: 62 кПа
5000 м (16405 футов) над уровнем моря: 54 кПа
При установке на высоте выше 2000 м (6562 футов), линейное напряжение не должно превышать заданных значений, чтобы обеспечить защиту от бросков напряжения в соответствии с EN 60664 1 для бросков напряжения категории III. Если на высоте > 2000 м (6562 футов) линейное напряжение превышает заданный предел, то должны быть приняты меры для снижения переходных бросков напряжения категории III до значений категории II, например, оборудование должно содержать изолирующий трансформатор.
Для расчёта допустимого выходного тока или мощности, коэффициенты снижения номинальных значений должны быть умножены на эффекты, описанные выше. Коэффициент снижения номинального значения тока kI как функция высоты установки может быть измерен при помощи коэффициента снижения номинального значения внешней температуры kT. Если результат умножения коэффициента kT на коэффициент kI больше 1, тогда расчёт должен базироваться на номинальном токе Irated или Iratedf. Если результат <1, тогда для расчёта максимально допустимого значения непрерывного тока он должен быть умножен на значение номинального тока Irated или Iratedf. Рассчитанный данным способом для получения результирующего значения коэффициент снижения номинальных значений k = kf × kT × kI должен применяться ко всем значениям тока (Irated,IH, IL) в заданном рабочем цикле.
Характеристика снижения номинальных значений Силовых Модулей, Модулей Линии и Модулей Двигателя приведена в технической документации соответствующего Модуля (смотрите описание компонента).
Примеры характеристических кривых снижения номинальных значений и расчёта допустимого выходного тока:
Снижение номинальных значений тока как функция внешней температуры
Снижение номинальных значений тока как функция высоты установки
Снижение номинальных значений напряжения как функция высоты установки
Пример 1
Система привода работает на высоте 2500 м (8202,5 футов) при максимальной внешней температуре в 30 °C (86°F) и заданной частоте следования импульсов.
Так как внешняя температура ниже 40 °C (104°F), может быть применён компенсационный расчёт (высота установки/внешняя температура).
Высота установки 2500 м (8202,5 футов): Коэффициент снижения значений kI = 0,965, kU = 0,94
Максимальная внешняя температура 30 °C (86°F): Коэффициент снижения значений kT = 1,133
kI × kT = 0,965 × 1,133 = 1,093 ⇒ 1,0 из-за компенсации высота установки/внешняя температура
k = kf × (kI × kT) = 1,0 × (1,0) = 1,0
Результат: Снижение номинальных значений тока не требуется.
Несмотря на это, IEC 60664 1 требует снижения номинальных значений напряжения.
Устройства в диапазоне напряжений от 380 В до 480 В могут использоваться с напряжениями до 480 В x 0,94 = 451 В, а устройства в диапазоне напряжений от 660 В до 690 В – 690 В × 0,94 = 648 В.
Пример 2
Во время настройки привода был выбран Модуль Двигателя с номером 6SL3320 1TE32 1AA0 (номинальный выходной ток 210A, базовый ток нагрузки при больших перегрузках 178 A). Привод должен работать на высоте 3000 м (9843 фт), где внешняя температура может достигать 35 °C (95°F). Для обеспечения требуемой динамической характеристики частота следования импульсов должна быть установлена равной 4 КГц.
Высота установки 3000 м (9843 фт): Коэффициент снижения значений kI = 0,925, kU = 0,88
Максимальная внешняя температура 35 °C (95°F): Коэффициент снижения значений kT = 1,066
kI × kT = 0,925 × 1,066 = 0,987 ⇒ не полностью компенсируется значением высота установки/внешняя температура
k = kf × (kI × kT) = 0,82 × (0,925 × 1,066) = 0,809
Результат: Требуется снижение номинальных значений тока.
Если применяются данные ограничения,
• Максимально допустимый непрерывный ток Модуля Двигателя: 210 A × 0,809 = 170 A
• Базовый ток нагрузки при больших перегрузках: 178 A × 0,809 = 144 A
IEC 60664 1 требует снижения номинальных значений напряжения.
Выбранный блок может работать с напряжением до 480 В 3 переменного тока × 0,88 или 720 В DC × 0,88 = 422 В 3 переменного тока или 634 В DC, т.е. при данных условиях 400-вольтный асинхронный двигатель (индукционный двигатель) может работать без ограничений. Несмотря на это, из-за высоты установки может потребоваться снижение номинальных значений асинхронного двигателя (индукционного двигателя).
Выбор Силового Модуля или Модуля Двигателя
Первоначально Модуль Двигателя выбирается на основе тока покоя I0 100 K (номинальный ток для повышения на 100 К температуры обмотки) для синхронных двигателей (индукционных двигателей) и номинального тока Irated для асинхронных двигателей (индукционных двигателей), как указано в описании двигателя. Динамические перегрузки, например, во время ускорения, должны учитываться в рабочих циклах, и могут потребовать установки более мощного Силового Модуля или Модуля Двигателя. В данном случае важно помнить, что выходной ток Силового Модуля или Модуля Двигателя снижается из-за высоты установки, внешней температуры и установленной частоты следования импульсов (смотрите описание коэффициентов снижения номинальных значений).
Для оптимальной настройки, среднеквадратическое значение тока двигателя Iload, рассчитанное для рабочего цикла, дублируется на Силовом Модуле или Модуле Двигателя. Накладывается ограничение:
Irated, module ≥ Iload
Irated, module = допустимое значение непрерывного тока Силового Модуля или Модуля Двигателя, учитывая коэффициенты снижения номинальных значений.
Может потребоваться, чтобы в течение указанных промежутков времени Силовые Модули или Модули Двигателя обеспечивали больший по значению выходной ток. При настройке перегрузки налагаются следующие ограничения:
Irated, module × коэффициент перегрузки < Ioverload
Коэффициент перегрузки = отношение Irated, module/Imax, учитывая переключение циклов (смотрите описание компонентов).
Утилита SIZER способна выполнять точные расчёты перегрузки.
Номинальный ток – допустимые и недопустимые сочетания двигатель/преобразователь частоты
• Номинальный ток двигателя больше, чем номинальный выходной ток Силового Модуля или Модуля Двигателя:
• В случаях, когда должен быть подключён двигатель с большим значением номинального тока, чем номинальный выходной ток Силового Модуля или Модуля Двигателя, двигатель сможет работать только с частичной нагрузкой. Налагается следующее ограничение:
• Кратковременный ток (=1,5 × базовый ток нагрузки IH) должен быть больше или равен номинальному значению тока подключённого двигателя.
• Соблюдение данного правила крайне важно, так как низкая индуктивность рассеивания больших двигателей вызывает появление пиковых токов, которые могут вызвать отключение системы приводов или продолжительное ограничение выходного тока внутренними электронными схемами.
• Номинальный ток двигателя значительно ниже, чем номинальный выходной ток Силового Модуля или Модуля Двигателя:
• При использовании Векторной бессенсорной системы управления, номинальный ток двигателя должен составлять как минимум ¼ от номинального выходного тока Силового Модуля или Модуля Двигателя. При меньших токах двигателя привод может работать в векторно-частотном режиме управления.
Используя широтно-импульсную модуляцию, Силовые Модули или Модули Двигателей генерируют из напряжения DC напряжение переменного тока, подаваемое подключённому двигателю. Величина постапающего напряжения DC определяется линейным напряжением и, в случае Модуля Двигателя, Модулем Линии и, таким образом, максимально допустимым выходным напряжением (смотрите описание компонентов). Скорость и нагрузка подключённого двигателя определяют требуемое напряжение двигателя. Максимально возможное выходное напряжение должно быть больше или равно требуемому напряжению двигателя; возможно, потребуется выбрать двигатель с другой обмоткой.
Невозможно использовать все режимы широтно-импульсной модуляции при подключённом синусоидальном фильтре. В результате, максимально возможное выходное напряжение (смотрите описание синусоидального фильтра) будет ниже.
Длинные кабели двигателя
Используя широтно-импульсную модуляцию, Силовые Модули или Модули Двигателей генерируют из напряжения DC напряжение переменного тока, подаваемое подключённому двигателю. Во время работы генерируются ёмкостные токи утечки, что ограничивает допустимую длину кабеля двигателя. Максимально допустимая длина кабеля указана в описании каждого Силового Модуля или Модуля Двигателя.
Реакторы двигателя ограничивают скорость нарастания и величину ёмкостных токов утечки, тем самым позволяя использовать более длинные кабели двигателя. Ёмкости реактора двигателя и кабеля двигателя образуют колебательный контур, который не должен подвергаться воздействию последовательности импульсов выходного напряжения. Поэтому резонансная частота данного колебательного контура должна быть значительно выше частоты следования импульсов. Чем длиннее кабель двигателя, тем больше должна быть его ёмкость и ниже резонансная частота. Для обеспечения достаточного предела безопасности между резонансной частотой и частотой следования импульсов, максимально допустимая длина кабеля двигателя ограничена, даже когда последовательно поключены несколько реакторов двигателя. Максимально допустимая длина кабеля при использовании реакторов двигателей приведена в техническом описании реакторов двигателей.
Модули Двигателя формата книги
Если необходимо использовать длинный кабель двигателя, должен быть выбран более мощный Модуль Двигателя, или должно быть снижено отношение допустимого непрерывного выходного тока Icontinuous к номинальному выходному току Irated. Данные для конфигурирования Модулей Двигателя формата книги приведены в следующей таблице:
|
Модуль Двигателя |
Длина кабеля двигателя (с защитой) |
|||
|---|---|---|---|---|
|
Номинальный выходной токIrated |
> 50 м (165 фт.) до 100 м (328 фт.) |
> 100 м (328 фт.) до 150 м (492 фт.) |
> 150 м (492 фт.) до 200 м (656 фт.) |
> 200 м (656 фт.) |
|
3 A/5 A |
Используйте Модуль Двигателя 9 A |
Используйте Модуль Двигателя 9 A |
Не допускается |
Не допускается |
|
9 A |
Используйте Модуль Двигателя 18 A |
Используйте Модуль Двигателя 18 A |
Не допускается |
Не допускается |
|
18 A |
Используйте Модуль Двигателя 30 A или |
Используйте Модуль Двигателя 30 A |
Не допускается |
Не допускается |
|
30 A |
Допускается |
I
max ≤ 1.35 × Irated |
I
max ≤ 1.1 × Irated |
Не допускается |
|
45 A/60 A |
Допускается |
I
max ≤ 1.75 × Irated |
I
max ≤ 1.5 × Irated |
Не допускается |
|
85 A/132 A |
Допускается |
I
max ≤ 1.35 × Irated |
I
max ≤ 1.1 × Irated |
Не допускается |
|
200 A |
Допускается |
I
max ≤ 1.25 × Irated |
I
max ≤ 1.1 × Irated |
Не допускается |
Допустимая длина кабеля двигателя без защиты составляет 150% от длины кабеля двигателя с защитой.
Чтобы использовать более длинные кабели двигателя, для двигателей, работающих в векторном и векторно-частотном режимах управления, допускается использование реакторов двигателя.
Сетевые модули
В приложениях с многоосевыми приводами, несколько Модулей Двигателя работают в одной цепи DC, к которой подаётся питание от Модуля Линии.
Прежде всего, необходимо решить, какой Модуль Линии будет использоваться: Базовый (Basic), Интеллектуальный (Smart) или Активный (Active). Это зависит, с одной стороны, от способности привода к регенеративной обратной связи, а с другой стороны, от того, должна ли подача питания быть нерегулируемой и, таким образом, зависеть от напряжения источника питания, или регулируемой к постоянному напряжению цепи DC.
Модули Линии формата книги доступны в интеллектуальном и активном форматах и оба поддерживают регенеративную обратную связь.
Блоки формата шасси доступны с диапазоном напряжений от 380 В до 480 В, а также включают блоки в диапазоне от 660 В до 690 В. Базовые Модули Линии разработаны только для работы с подаваемой нагрузкой. Активные Модули Линии имеют регулируемую нагрузку и включают функцию повышения напряжения.
Для расчёта требуемой в цепи DC мощности и выбора правильного Модуля Линии, важно проанализировать всю последовательность работы группы приводов, подключённых к цепи DC. Также должны учитываться и такие факторы, как частичная нагрузка, избыточность, рабочие циклы, коэффициент одновременности нагрузки и рабочий режим (режим двигателя / генератора).
Мощность цепи DC Pd одного Модуля Двигателя, рассчитывается из мощности на валу двигателя Pmech и эффективности двигателя ηm и Модуля Двигателя ηwr.
В режиме двигателя накладываются следующие ограничения: Pd = Pmech / (ηm × ηwr)
В режиме генератора накладываются следующие ограничения: Pd = Pmech × ηm × ηwr
Для расчёта общей мощности цепи DC, мощности двигателя и генератора должны добавляться с соответствующим знаком.
Номинальная подаваемая мощность Модуля Линии относится к напряжению в сети в 380 В, 460 В или 690 В (690 В применяется только для Модулей Линии формата шасси). Колебания напряжения в сети могут повлиять на выходную мощность Модулей Линии. Несмотря на это, максимально возможная выходная мощность соответствует номинальной мощности блока соответствующего типа.
В зависимости от внешних условий (высота установки, внешняя температура), может потребоваться снизить подаваемую к Модулям Линии мощность (смотрите соответствующее описание).
Коэффициент одновременности нагрузки учитывает временную характеристику крутящего момента каждой отдельной оси.
На основе этих принципов для определения величины Модуля Линии может быть использована следующая процедура:
При определении величины цепи DC должны также учитываться следующие факторы:
• Торможение
Несмотря на то, что потери устройством мощности важны при работе в режиме двигателя, определение мощности, применяемое для режима двигателя, также применяется и для режима генератора. Учитывая операцию торможения двигателя, проверьте, чтобы энергия, подаваемая назад в цепь DC, не превышала величину пиковой нагрузки Модуля Линии.
В случае повышенной регенеративной выходной мощности и для управления рабочим сценарием «ошибки в линии», должен быть установлен Модуль Торможения, должен быть установлен Интеллектуальный или Активный Модуль другой мощности или установлено более длинное время торможения для снижения регенеративной выходной мощности.
Для настройки рабочего сценария «АВАРИЙНОЙ ОСТАНОВКИ» должен быть установлен Модуль Линии другой мощности или использоваться дополнительный Модуль Торможения. Это позволит как можно быстрее рассеивать энергию цепи DC.
• Проверка ёмкости цепи DC
Во время включения питания Модули Линии ограничивают зарядный ток для конденсаторов цепи DC. Из-за ограничений, накладываемых цепью предварительной зарядки, важно соблюдать максимально допустимые для группы приводов значения ёмкости цепи DC, приведённые в технической документации.
• Частота предварительной зарядки цепи DC
Частота предварительной зарядки цепи DC через Модуль Линии формата книги рассчитывается при помощи следующей формулы:
Для сетевых модулей формата шасси максимально допустимый интервал предварительной зарядки цепи DC составляет 3 минуты.
• Особые условия работы Базового или Интеллектуального Модуля Линии
Базовые Модули Линии и Интеллектуальные Модули Линии обеспечивают более низкое напряжение цепи DC, чем Активные Модули Линии. В результате накладываются следующие ограничения:
• При использовании асинхронных двигателей (индуктивных двигателей), можно получить более низкую мощность двигателя при высокой скорости и том же линейном напряжении.
• При использовании синхронных двигателей на высоких скоростях будет наблюдаться снижение динамических характеристик привода.
• При использовании синхронных двигателей, в случае, если требуется способность выдерживать перегрузки, номинальная скорость двигателя не может быть использована в полном объёме.
Базовые сетевые модули
Напряжение цепи DC Ud Базовых Модулей Линии зависит от нагрузки. При отсутствии нагрузки в цепи DC устанавливается значение пикового напряжения UL, т.е. Ud = √2 × UL, например, Ud = 650 В, когда подключается 460-вольтная система подачи питания.
При наличии нагрузки, напряжение цепи DC достигает среднего значения выпрямленного линейного напряжения на контактах. Это среднее значение определяется умножением линейного напряжения на коэффициент 1,35. Из-за перепадов напряжения в линейном реакторе и питающем кабеле линии, напряжение цепи DC в условиях полной загрузки немного ниже теоретического значения. На практике, диапазон напряжения цепи DC Ud следующее:
1,41 × UL > Ud > 1,32 × UL (нет нагрузки → номинальная выходная мощность)
Интеллектуальные сетевые модули
Напряжению цепи DC Ud Интеллектуальных Модулей Линии устанавливается среднее значение выпрямленного линейного напряжения UL, т.е. Ud ≈ 1,35 × UL
Из-за перепадов напряжения в линейном реакторе и питающем кабеле линии, напряжение цепи DC снижается во время работы двигателя и увеличивается во время работы генератора. Таким образом, напряжение цепи DC Ud находится в тех же пределах, что и для Базового Модуля Линии:
1,41 × UL > Ud > 1,32 × UL (номинальная выходная мощность в режиме генератора → номинальная выходная мощность в режиме двигателя)
Активные сетевые модули
Напряжение цепи DC Ud является настраиваемым значением (Активный Режим). Активный Модуль Линии может быть также переключён в Базовый Режим, после чего он станет работать как Базовый Модуль Линии. В Активном Режиме Активный Модуль Линии рисует виртуальную синусоиданую кривую тока, поступающего от системы подачи питания.
Параллельное подключение блоков питания
Параллельно могут быть подключены до 4 Модулей Двигателя или сетевые модули в формате шасси. Параллельные соединения могут работать только в векторном режиме управления.
Параллельные соединения могут включать только Модули Двигателя или Модули Линии одного типа и с теми же характеристиками напряжения и выходной мощности. Комбинации различных модулей, например, Базовые Модули Линии и Активные Модули Линии, не могут быть подключены параллельно. Блок Управления CU320 или SIMOTION D может управлять только одним объектом привода типа «Модули Линии параллельного подключения» (“Parallel connection Line Modules") и одним объектом типа «Модули Двигатели параллельного подключения» ("Parallel connection Motor Modules"). Подразумевается, что все Модули Линии или Модули Двигателя, подсоединённые к Блоку Управления, подключены параллельно. Блок Управления может управлять, например, следующими компонентами:
1 Модуль Линии + 2 Модуля Двигателя, подключённые параллельно, 2 Модуля Линии, подключённые параллельно + 3 Модуля Двигателя, подключённые параллельно. Следующие комбинации недопустимы: 2 Модуля Линии + 2 Модуля Двигателя, подключённые параллельно + 1 Модуль Двигателя
Для обеспечения симметричного распределения тока по всем параллельно подключённым модулям, для развязки подсистемы должны быть представлены индуктивности. Несмотря на это, компенсационное управление током не может полностью исключить асимметричное распределение, что означает, что для параллельных подключений устанавливаются следующие коэффициенты снижения номинальных значений:
|
Обозначение |
Коэффициент снижения номинальных значений для параллельных подключений от 2 до 4 Модулей |
Максимально допустимое число параллельно подключённых Модулей |
|---|---|---|
|
Активные Модули Линии |
0.95 |
4 |
|
Базовые Модули Линии |
0.925 |
4 |
|
Модули Двигателя |
0.95 |
4 |
Модули Линии формата шасси
Для развязывания отдельных Базовых Модулей Линии необходимы линейные реакторы, в то время как для развязывания Активных Модулей Линии требуются соответствующие Активные Интерфейсные Модули.
Параллельное подключение Базовых Модулей Линии при помощи линейных реакторов
Параллельное подключение Активных Модулей Линии при помощи Активных Интерфейсных Модулей
Модули Двигателя формата шасси
Для параллельного подключения Модулей Двигателя, по возможности, должны использоваться трёхжильные или четырёхжильные кабели.
В данном случае между кабелями отдельных подсистем должен быть оставлен зазор в как минимум 50 мм (1,97 дюйма). Трёхфазная система должна быть подключена к каждому кабелю одинаковой длины (U2, V2, W2). Для адекватной развязки подсистем и обеспечения необходимой индуктивности кабели двигателя должны быть минимальной длины.
|
Модуль Двигателя |
P M |
I rated rms |
Минимальная длина силового кабеля двигателя |
|---|---|---|---|
|
Размер |
кВт |
A |
м (фт) |
|
Выходное напряжение от 380 В до 480 В |
|||
|
FX |
110 |
210 |
45 (148) |
|
FX |
132 |
260 |
40 (132) |
|
GX |
160 |
310 |
35 (115) |
|
GX |
200 |
380 |
30 (98) |
|
GX |
250 |
490 |
30 (98) |
|
HX |
315 |
605 |
30 (98) |
|
HX |
400 |
745 |
25 (82) |
|
HX |
450 |
840 |
20 (66) |
|
JX |
560 |
985 |
15 (49) |
|
JX |
710 |
1260 |
10 (33) |
|
JX |
800 |
1405 |
10 (33) |
|
Выходное напряжение от 660 В до 690 В |
|||
|
FX |
75 |
85 |
150 (492) |
|
FX |
90 |
100 |
150 (492) |
|
FX |
110 |
120 |
110 (361) |
|
FX |
132 |
150 |
110 (361) |
|
GX |
160 |
175 |
90 (295) |
|
GX |
200 |
215 |
60 (197) |
|
GX |
250 |
260 |
50 (164) |
|
GX |
315 |
330 |
30 (98) |
|
HX |
400 |
410 |
30 (98) |
|
HX |
450 |
465 |
30 (98) |
|
HX |
560 |
575 |
25 (82) |
|
JX |
710 |
735 |
20 (66) |
|
JX |
800 |
810 |
20 (66) |
|
JX |
900 |
910 |
15 (49) |
|
JX |
1000 |
1025 |
15 (49) |
|
JX |
1200 |
1270 |
10 (33) |
Если конфигурация привода не может обеспечить минимально необходимую длину кабеля, для Модуля Двигателя должен быть установлен соответствующий реактор двигателя. Кроме того, могут быть использованы двигатели с двумя отдельными системами обмотки.
Последний вариант более предпочтителен для приводов с большой выходной мощностью, т.к. в данном случае распределительные коробки двигателей будут ограничивать ток. Двигатели с раздельными системами обмотки допускают все типы модуляции (т.е. пространственно-векторную модуляцию и контурную модуляцию). Если параллельно-подключённые Модули Двигателя обладают единой системой обмотки, контурная модуляция использоваться не может, а максимально возможное линейное выходное напряжение Ua ограничено 0,67 x напряжение цепи DC.
Параллельное подключение при помощи идентичных кабелей двигателей требуемой минимальной длины
Использование реакторов двигателя
Асинхронный двигатель (индуктивный двигатель) с двумя отдельными системами обмотки
Управление вентилятором
Блоки книжного формата включают управляемый температурой вентилятор, предназначенный для охлаждения блока питания. Вентилятор не включается до тех пор, пока температура в теплопоглощающем устройстве не достигнет 56 °C (132,8°F). Вентилятор питается от внешнего источника питания 24-вольтной сети DC или от цепи DC при помощи включаемой подачи питания.
На блоках книжного формата и формата шасси вентилятор включается, когда включены импульсы блока питания.
Возмущение в системе
Снижение напряжения между системой электропитания и нагрузкой, обусловленное импедансом, наблюдается до тех пор, пока в цепи течёт ток. В симметричной трёхфазной системе электропитания это импеданс цепи Zn, который рассчитывается из импеданса Zs системы электропитания и импеданса Ze нагрузки.
Эффективный импеданс, когда нагрузка подаётся к трёхфазной системе электропитания
Zn = Zs + Ze = Rs + j Xs + Re + j Xe = Rn + j Xn
На приводе переменной скорости импеданс Ze, как правило, является общим импедансом, подаваемым линейным реактором и силовым кабелем к PCC (Точке Общего Соединения) для последующего использования. Омической составляющей Rn обычно пренебрегают по сравнению с индуктивной составляющей Xn. Для данного вычисления индуктивность заградительного фильтра RI неважна, т.к. данная индуктивность имеет смысл только для асимметрических напряжений помех, но не для симметрического тока в цепи.
Если нагрузка вызывает падение напряжения, обусловленное импедансом Zs, возмущения в данной системе имеют влияние на РСС и, таким образом, на напряжение питания, используемом для всех других нагрузок.
Падение напряжения пропорционально току Ie и импедансу. Для облегчения сравнения падения напряжения при различных условиях электропитания и нагрузки, падение напряжение указывается – обычно для номинального тока – со ссылкой на фазное напряжение Uo. Формула расчёта, например, для падения напряжения uk, обусловленного импедансом Z, для каждого отдельного блока следующая:
uk = Z × Ie / Uo
Пример 1:
Силовой Модуль с номинальным током Ie подключён напрямую к трансформатору низкого напряжения, а РСС – это клемма трансформатора. Формула, выражающая отношение между номинальным линейным током Ie Силового Модуля и номинальным током Irated трансформатора, следующая Ie = 0,25 × Irated. Падение напряжения uk 400-вольтного трансформатора, рассчитанное для каждого блока, составляет 4%. Если в трансформаторе течёт номинальный ток Irated, падение напряжения, обусловленное импедансом Zs, составляет 9,2 В (что соответствует 4% фазного напряжения Uo = 230 В).
uk = (Zs × Irated) / 230 В = 0,04
Следующая формула применяется к номинальному линейному току Ie Силового Модуля: Ie = k × Irated
Таким образом, падение напряжения, обусловленное нагрузкой трансформатора током Ie и рассчитываемое для каждого отдельного блока, будет составлять: uk = Zs × Ie / Uo = Zs × k × Irated / Uo
При указанном соотношении между Ie и Irated, падение напряжения uk = 1% или 2,3 В. По отношению к Силовому Модулю данный трансформатор работает как линейный импеданс в соответствии с uk = 1%.
Величина возмущения в системах преобразователя оценивается на основе отношения Rsc мощности короткого замыкания.
Rsc = Scν / P
В соответствии с данным определением, приведённым в EN 60146 1, P – э то полная мощность основной гармоники преобразователя. Scν – это мощность короткого замыкания при подаче электропитания в случае короткого замыкания на контактах U1, V1 и W1. Так как на практике омическими составляющими импедансов принебрегают, то Zn ≈ j Xn
Scν ≈ 3 × Uo2 / Xn
и, таким образом, Rsc ≈ 3 × Uo2 / (Xn × P)
Отношение Rsc мощности короткого замыкания, таким образом, зависит от текущей выходной мощности P преобразователя и определяется импедансом Xn в цепи.
Предположим, что мощность P ≈ 3 × Uo × Ie = √3 × Urated × Ie
отношение Rsc мощности короткого замыкания неявно пропорционально падению напряжения uk, обусловленное импедансов в цепи.
Rsc ≈ 3 × Uo2 / (Xn × P) = 3 × Uo2 / (Xn × 3 × Uo × Ie) = Uo / (Xn × Ie) = 1 / uk
Например, для отношения мощности короткого замыкания, равного 1, Rsc ≈ 100, если не установлен линейный реактор (Ze = 0).
Примечание:
Понятие «отношение мощности короткого замыкания», используемое в технических стандартах, не является согласованным определением. Отношение Rsce мощности короткого замыкания, определяемое в соответствии с IEC 61000-3-12, рассчитывается из мощности короткого замыкания SSC в PCC по отношению к мощности Sequ = 3 × Uo × Ie, потребляемой полезной нагрузкой.
Базовые Модули Линии и Силовые модули включают выпрямительный мост со стороны цепи. Основными составляющими, участвующими в процессе выпрямления с нагрузочным ёмкостным сопротивлением для сглаживания напряжения в цепи DC, являются гармоники тока в цепи, которые вызывают синусоидальную подачу тока. Диаграмма отображает форму колебаний сигнала базового тока Силового Модуля или Базового Модуля Линии как функцию отношения Rsc мощности короткого замыкания.
Активные Модули Линии фактически не генерируют гармоник тока (Активный Режим) и используются, когда возмущения в системе должны минимизироваться, например, условие IEEE 519, что THD (Общее Гармоническое Искажение) должно быть < 10%.
Утилита конфигурации SIZER рассчитывает возмущение в системе на основе введённых исходных данных и отображает их в сравнении с предельными значениями соответствующих стандартов.
Ток в цепи Базового Модуля Линии или Силового Модуля как функция отношения Rsc мощности короткого замыкания
Среднеквадратичное значение линейного тока Ie, для которого должны оцениваться составляющие, состоит из основной гармонией Ie1 и гармоник тока, которые увеличивают отношение Rsc мощности короткого замыкания. Если была рассчитана мощность Pd в цепи DC (смотрите Модули Линии), требуемая активная мощность является известной величиной эффективности Модуля Линии или эффективности выпрямителя в случае Силового Модуля. Несмотря на это, активная мощность связана только с основной гармоникой тока Ie1. Среднеквадратичное значение линейного тока Ie всегда больше, чем Ie1 из-за воздействия гармоник тока. Следующее верно для отношения Rsc = 100 мощности короткого замыкания:
Ie ≈ 1,3 × Ie1
Полная мощность трансформатора, выбранного для подачи питания к приводу, должна быть больше, чем мощность привода, умноженная на коэффициент 1,3.
Гармонические токи создают только переменную мощность, но не активную мощность. Следующее верно для полной мощности S на стороне цепи:
S2 = P2 + Q12 + D2
• с активной составляющей
• P = 3 × Uo × I1 × cos ϕ1 создаётся только основной гармоникой тока
• и реактивной составляющей
• Q1 = 3 × Uo × I1 × sin ϕ1
• и искажающей составляющей
Отношение между активной мощностью и полной мощностью называется коэффициентом мощности λ или коэффициентом суммарной мощности:
Типичная форма колебаний сигнала линейного тока Силовых Модулей и Модулей Линии
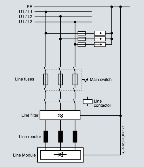
Компоненты цепи (главный выключатель, предохранители, сетевые фильтры и т.д.)
Для конфигурации привода рекомендуется использовать следующие компоненты
Главный выключатель может быть различных форматов:
• Главный выключатель АВАРИЙНОЙ ОСТАНОВКИ + прерыватель с предохранителем (с основным сигналом, поступающим через вспомогательный контакт для режима отключения)
• Прерыватель нагрузки с предохранителями
• Автоматический выключатель
Для защиты блоков от бросков напряжения рекомендуется устанавливать защиту от перенапряжения прямо на точку подачи питания (вверх по цепи от главного выключателя). Защита от перенапряжения необходима в соответствии с требованиями канадского стандарта CSA C22,2 No. 14. Для примеров использования предохранителей от перенапряжения посетите http://www.raycap.com.
В зависимости от требуемой производительности, в качестве главного выключателя может выступать прерыватель с предохранителем вместе с замыкателем или автоматическим выключателем.
Замыкатель цепи может использоваться, если, например, привод должен быть отключён от цепи подачи питания в случае ошибки или для дистанционного выключения. Следуйте инструкциям, приведённым в Руководствах по Настройке SINAMICS S120 для блокировки замыкателя цепи в контексте функций безопасности.
Сетевой фильтр должен использоваться в системах TN (заземлённых) для снижения возмущения в системе


