СРЕДСТВА ПРОМЫШЛЕННОЙ АВТОМАТИЗАЦИИ
официальный партнер Сименс
Каталог СА01 2013
архивный
(4872) 700-366
skenergo@mail.ru
Поиск
Каталог 2018
|
Каталог 2017
|
Каталог 2016
|
Каталог 2015
|
Каталог 2014
|
Каталог 2013
|
Каталог 2012
|
Сертификат
|
Контакты
|
Карта сайта
|
Поиск
Обзор
|
Функции
|
Интеграция
|
Дальнейшая информация
|
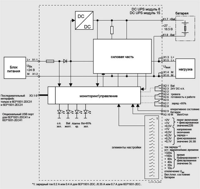
Модули DC-UPS с модулями батарей
Каталог оборудования 2013
Каталог продуктов Siemens Industry
Приводная техника
Техника автоматизации
Системы автоматизации
Системы визуализации SIMATIC HMI
Системы идентификации
Промышленные коммуникации SIMATIC NET
Промышленные аппараты управления SIRIUS
Промышленные информационные технологии
Управление на базе РС
Системы управления процессом
Датчики
Блоки питания
Блоки питания SITOP
Блоки питания серии SITOP lite
Блоки питания серии SITOP compact
Блоки питания серии LOGO!Power
Блоки питания серии SITOP smart
SITOP в исполнении SIMATIC
Модульные блоки питания SITOP
Специальное исполнение и назначение
Дополнительные компоненты
Блоки бесперебойного питания DC-UPS
Модули DC-UPS со встроенными конденсаторами
Модули DC-UPS с модулями батарей
DC-UPS 6 А
DC-UPS 15
DC UPS 40 A
Модуль батарей 1.2 Ачас
Модуль батарей 2.5 Ачас
Модуль батарей 3.2 Ачас
Модуль батарей 7 Ачас
Модуль батарей 12 Ачас
Аксессуары
Блоки питания заказного исполнения
Техническая информация и проектирование
Семейство SIPLUS
SIPLUS DC-UPS, бесперебойные источники питания
Миниатюрные блоки питания SIPLUS
SITOP power для AS-Interface
Трансформаторы, источники питания и системы SIDAC
Блоки питания
Блоки питания для AS-интерфейса
Photovoltaics
Продукты для специальных требований
Автоматизация зданий
Низковольтная коммутационная техника
Технология безопасности
Системные решения и продукты для отраслей
Сервис
... и все, что Вам еще необходимо
©
ООО "СК ЭНЕРГО"
2007-2022
(4872) 700-366 skenergo@mail.ru