|
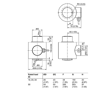
Номинальная нагрузка [т] |
Размеры [мм] |
|||
|---|---|---|---|---|
|
|
D |
E |
F |
L |
|
10, 20, 30 |
40 |
37.5 |
150 |
22 |
|
50 |
50 |
200 |
200 |
27 |
Весоизмерительные ячейки SIWAREX WL 270 CP-S SA



