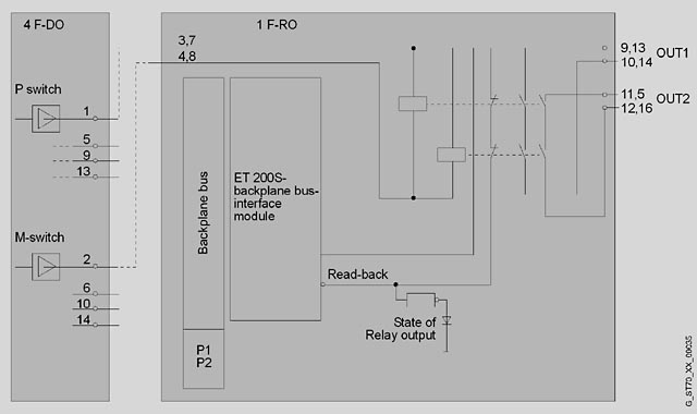
На схеме показан вариант управления с помощью модуля 4F-DO =24 В/2A PROFIsafe (6ES7138-4FB02-0AB0). Цепь управления должна быть подключена к контактам 3, 4 и 7, 8. Один канал F-DO может использоваться для управления работой нескольких модулей F-RO (группа отключения).
| Каталог 2018 | Каталог 2017 | Каталог 2016 | Каталог 2015 | Каталог 2014 | Каталог 2013 | Каталог 2012 | Сертификат | Контакты | Карта сайта | Поиск |


