GAMMA wave – мультифункциональная система
Новая система радиоуправления GAMMA wave позволяет пользоваться всеми преимуществами современной
электроустановочной техники для зданий без необходимости прокладки новых проводов.
Датчики, исполнительные элементы и другие устройства не нуждаются в прокладке дополнительных проводов.
Радиоуправляемые системы особенно удобны для ремонта, расширения имеющихся систем, но, естественно, и для любого
рода новых электроустановок. И все это при абсолютной помехозащищённости и не внушающей опасения надежности
передачи сигналов.
Изюминка в том, что система GAMMA wave представляет собой единственную в своём роде двунаправленную систему
радиоуправления – это значит, что устройства и компоненты могут быть как передатчиками, так и приемниками.
Услуги
Сфера деятельности третьих лиц.
Регистрация данных о потреблении и системы экстренного вызова
Продукты других отделов фирмы Siemens либо других
производителей на базе стандарта KNX−Standards
.
Было
управление освещением и жалюзи обычными электроустановочными приборами
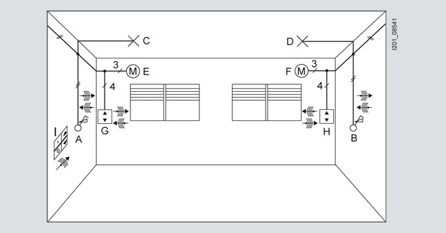
Example of a conventional installation with lighting and electrically operated shutters/blinds.
- Пример электроинсталляции, включающей освещение и
жалюзи с электроприводом с электроприводом.
• светильник (C) может включаться только выключателем (A)
• светильник (D) может включаться только выключателем (B)
• жалюзи (E) могут управляться только выключателем (G)
• жалюзи (F) могут управляться только выключателем (H)
Недостатки
• отсутствие гибкости
• низкая комфортность (каждый источник обслуживается
отдельно)
Стало
управление освещением и жалюзи средствами GAMMA wave („двунаправленной“ системы радиоуправления)
Переоснащение электроустановки для совместного управления освещением и жалюзи с различных точек управления.
Замена электрических частей обычных выключателей (A, B) на
• электрическую часть sys универсального диммера
• клавишу Taste wave UP 210
Замена обычных жалюзийных выключателей (G, H) на
• электрическую часть sys устройства управления жалюзи
• клавишу Taste wave жалюзи UP 211
В результате этого
• световой поток светильников C и D может регулироваться из точек A и/или B
• жалюзи E и F могут управляться из точек G и/или H
Для создания дополнительных возможностей управления светильниками и жалюзи можно инсталлировать
• настенный передатчик с автономным питанием Batterie wave UP 110 (I) с насаженным на него
• двойном кнопочным выключателем instabus KNX/EIB.
Преимущества
• гибкость
• высокая комфортность
• возможность создания групп
• небольшое количество устройств
• простое и чистое дооснащение без долбежных работ
Семейство устройств wave, созданное на базе передовых технологий, можно прекрасно использовать при переоборудовании и расширении управляющих функций в помещениях существующих зданий. Эти устройства позволяют максимально удобно реализовать беспроводное дистанционное управление функциями коммутации, регулирования уровня освещенности, управления жалюзи и сценариями.
Система работает в помехозащищённом диапазоне частот 868 МГц, который во многих странах зарезервирован для охранных систем и системных приложений. В одном сооружении (например, в отдельной квартире) друг с другом могут взаимодействовать до 64 устройств. При этом каждым радиоканалом исполнительного устройства могут управлять до
10 датчиков в различных группах.
К семейству устройств принадлежат: клавиша Taste wave UP 210 для управления освещением, клавиша Taste wave
жалюзи UP 211 для управления жалюзи, а также настенный передатчик с автономным питанием Batterie wave UP 110.
Клавиша Taste wave UP 210 и Клавиша Taste wave жалюзи UP 211 применяются в комбинации с электрическими частями sys универсальных диммеров и устройств управления жалюзи. Таким образом, возможно местное и дистанционное управление их электрическими частями, а также дистанционное управление связанными по радиоканалу дополнительными электрическими частями sys универсальных диммеров и устройств управления жалюзи. На настенный передатчик с автономным питанием Batterie wave UP 110 в качестве панели управления надевается одно- или двойной кнопочный выключатель instabus KNX/EIB. Клавишами кнопочных выключателей электрические части sys универсальных диммеров и устройств управления жалюзи, на
которые надеты клавиши Taste wave UP 210, могут дистанционно управляться в соответствии с предусмотренным применением.
Электрические части оснащены крепежными распорками, максимальная глубина монтажа составляет 32 мм. Это значительно облегчает монтаж в стандартную монтажную коробку для скрытой установки..
Семейство устройств GAMMA wave для скрытой установки
|
Панели управления |
клавиша Taste sys |
клавиша Taste |
клавиша Taste sys |
клавиша Taste |
instabus
|
|---|---|---|---|---|---|
|
Электрические части |
|
|
|
|
|
|
электрическая часть sys универсального светорегулятора |
x |
x |
- |
- |
- |
|
электрическая часть sys устройства |
- |
- |
x |
x |
- |
|
настенный передатчик с автономным |
- |
- |
- |
- |
x |
|
электрическая часть sys выключателя |
- |
x |
- |
- |
- |
|
настенный передатчик 230 В wave UP 110 |
- |
- |
- |
- |
x |
|
настенный передатчик, исполнительный |
- |
- |
- |
- |
x |



