Включение электрооборудования
Часто повышенные пусковые токи различных нагрузок и, тем самым, опасность сваривания контактов недооцениваются.
Активная нагрузка:
Активная нагрузка, например, электрическое отопление, не создает повышенных пусковых токов.
Нагрузка от ламп накаливания
При включении ламп накаливания или галогенных ламп возникает от 6 до 10−кратный пусковой ток, поскольку нити ламп накаливания в холодном состоянии имеют малое сопротивление. Расчетный рабочий ток устанавливается только спустя примерно 10 мс.
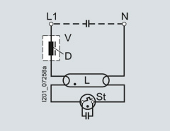
Некомпенсированная нагрузка от люминесцентных ламп:
При включении, течение нескольких периодов, охватывающих больший отрезок времени, протекает повышенный ток (пусковые флюктуации), от 2− до 2,5−кратного.
Параллельно компенсированная нагрузка от люминесцентных ламп:
При включении конденсатор создает чрезвычайно высокий, примерно 13−кратный пусковой ток в течение около 10 мс.
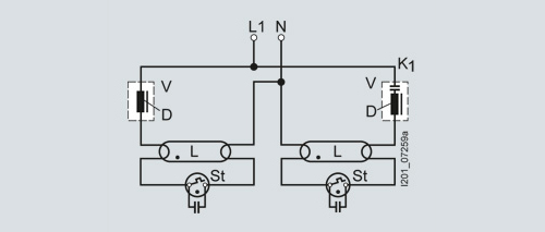
Нагрузка парного включения люминесцентных ламп
Конденсатор, включенный последовательно в ламповую схему, создает желаемую компенсацию. Но при этом в течение нескольких периодов возникает повышенный пусковой ток, подобно как при некомпенсированной нагрузке люминесцентных ламп.
Выбор контактов для осветительного оборудования
Для электроустановочного оборудования применяются самые различные контакты:
Контакторные с расстоянием между контактами >3 мм, как у дистанционных выключателей
Релейные с расстоянием между контактами >3 мм, как у контакторов
Контакты, приводимые в действие вручную, с расстоянием между контактами >3 мм, как у выключателей
Релейные контакты с микроконтактами (расстояние между контактами >0,5 мм), аналогичные тем, которые применяются на печатных платах электронных устройств.
Таблицы выбора устройств помогают подобрать подходящий коммутационный аппарат для различных типов осветительного оборудования.
Отключение электрооборудования
При размыкании под нагрузкой контактов на напряжениях выше 24 − 30 В всегда возникает электрическая дуга. Эта электрическая дуга зависит от напряжения, длины изоляционного промежутка, скорости контактов, фазы коммутации и силы тока. Принцип так называемого гашения в нулевой точке состоит в том, что электрическая дуга гаснет при прохождении тока через нуль, не позже, чем через 1.5 периода. Дополнительного гашения дуги или ограничения тока, как в автоматических выключателях, нет.
Отключение постоянных токов
Вся аппаратура модульного исполнения не разрабатывалась специально для коммутации постоянных токов. При постоянном токе отсутствует прохождение тока через нуль для гашения дуги. Для того, чтобы, тем не менее, иметь возможность отключения заметных токов, контакты включаются последовательно для увеличения изоляционного промежутка.
Для некоторых коммутационных устройств указаны проектные данные по коммутации постоянных токов. Они должны обязательно соблюдаться, поскольку при превышении этих проектных данных дуга гасится с трудом и в связи с этим возникает опасность пожара.
Надежное разделение
При работе с 230 В и с безопасным низком напряжением (SELF) – напряжение от звонкового трансформатора или трансформатора для длительной нагрузки – на устройствах должно гарантироваться „надежное разделение“. Для этого необходимы воздушные зазоры и пути утечки не менее 8 мм и диэлектрическая пробивная прочность более 4 кВ. Если эти условия – 8 мм либо 4 кВ – не выполняются, то вместо термина „надежное разделение“ применяется термин „гальваническое разделение“ (не SELF).


