Конфигурация
Полупроводниковые устройства плавного пуска 3RW предназначены для мягких условий пуска двигателя. В случае отклонения от заданных условий или при повышенном количестве пусков, возможно, следует выбрать более мощное устройство. Для точного подбора мощности воспользуйтесь программой выбора и симуляции Win-SOFTSTARTER (версии 2.0 или выше).
Если необходимо, то при длительном времени запуска возможно выбрать реле перегрузки для тяжелых условий запуска. Наряду с этим, рекомендуется установить термисторную защиту. Это же требование относится и к плавному торможению, так как во время такого торможения возникает дополнительная токовая нагрузка в отличие от свободного выбега двигателя.
Недопустимо использование емкостных элементов (таких как компенсаторы) в цепи двигатель – устройство плавного пуска SIRIUS 3RW. Кроме того, активные фильтры (например, для компенсации реактивной мощности) не должны работать параллельно цепи устройства плавного пуска.
Все элементы силовой цепи, такие как предохранители, коммутационные устройства и реле перегрузки, должны быть подобраны в соответствии с условиями прямого пуска, с учётом воздействия токов короткого замыкания на данном участке цепи. Предохранители, коммутационные устройства и реле перегрузки заказываются отдельно. Обратите внимание на максимальное число включений в соответствии с технической документацией на двигатель.
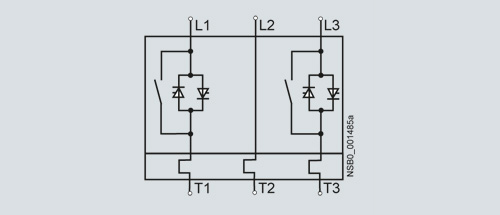
Однолинейная схема силовой цепи
Графики состояния
Программа для выбора и симуляции Win-SOFTSTARTER
С помощью данной программы можно моделировать работу всех устройств плавного пуска Siemens с учётом различных параметров: характеристик цепи питания, данных о двигателе и нагрузке, а также с учётом требований для специальных применений. Данная программа является отличным инструментом, который делает просто излишними сложные и длительные ручные расчеты для выбора необходимого устройства плавного пуска.
Вы можете разместить заказ на CD-ROM с данной
программой:
Заказной номер: E20001-D1020-P302-V2-7400.
Дополнительную информацию Вы можете получить в Интернете по адресу.
http://medaps.erlm.siemens.de/webeditor/
http://www.siemens.de/sanftstarter



