SITRANS F M transmitter TRANSMAG 2, connection diagram
SITRANS F M Измерительный датчик 911/E, компактная конструкция, размеры в мм (дюймах)
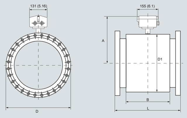
Монтажная длина 911/E [в мм и дюймах]
DN 15 to DN 150
|
Ном. диаметр |
DN 15 |
DN 20 |
DN 25 |
DN 32 |
DN 40 |
DN 50 |
DN 65 |
DN 80 |
DN 100 |
DN 125 |
DN 150 |
|---|---|---|---|---|---|---|---|---|---|---|---|
|
|
½“ |
¾“ |
1“ |
1 ¼“ |
1 ½“ |
2“ |
2 ½“ |
3“ |
4“ |
5“ |
6“ |
|
|
Монтажная длина B1) |
||||||||||
|
Версия с эбонитом Версия с мягкой |
270 (10.63) |
280 (11.02) |
|
330 (12.99) |
340 (13.39) |
||||||
|
Футеровка из |
270 (10.63) |
280 (11.02) |
|
330 (12.99) |
340 (13.39) |
||||||
|
Версия Novolak |
- |
275 (10.83) |
325 (12.79) |
335 (13.19) |
333 (13.11) |
362 (14.25) |
|||||
|
|
Размеры преобразователя расхода |
||||||||||
|
Ширина корпуса |
170 (6.69) |
||||||||||
|
Высота H для |
281 (11.06) |
285 (11.22) |
291 (11.46) |
298 (11.73) |
314 (12.36) |
326 (12.83) |
345 (13.58) |
||||
|
Высота H2 для |
175 (6.89) |
180 (7.08) |
187.5 (7.38) |
195 (7.68) |
215 (8.46) |
230 (9.06) |
252.5 (9.94) |
||||
|
Диаметр корпуса |
135 (5.32) |
169 (6.65) |
184 (7.24) |
249 (9.80) |
|
274 (10.79) |
298 (11.73) |
324 (12.76) |
|||
|
Вес версии PN 10 в кг (MWP 145 psi версия в lbs) |
8.0 (17.6) |
8.5 (18.7) |
11.0 (24.3) |
11.5 (25.4) |
25.0 (55.1) |
26 (57.3) |
|
28 (61.7) |
34 (75.0) |
38 (83.8) |
|
DN 200 to DN 600
|
Ном. диаметр |
DN 200 |
DN 250 |
DN 300 |
DN 350 |
DN 400 |
DN 500 |
DN 600 |
|---|---|---|---|---|---|---|---|
|
|
8“ |
10“ |
12“ |
14“ |
16“ |
20“ |
24“ |
|
|
Монтажная длина B1) |
||||||
|
Версия с |
410 (16.14) |
470 (18.50) |
500 (19.68) |
550 (21.65) |
600 (23.62) |
650 (25.59) |
780 (30.71) |
|
Футеровка из |
410 (16.14) |
470 (18.50) |
500 (19.68) |
550 (21.65) |
600 (23.62) |
780 (30.71) |
780 (30.71) |
|
Версия Novolak |
401 (15.79) |
460 (18.11) |
489 (19.25) |
538 (21.18) |
588 (23.15) |
638 (25.12) |
772 (30.39) |
|
|
Размеры преобразователя расхода |
||||||
|
Ширина корпуса |
240 (9.45) |
|
|
306 (12.05) |
360 (14.17) |
412 (16.22) |
552 (21.73) |
|
Высота H для |
371 (14.61) |
408 (16.06) |
441 (17.36) |
553 (21.77) |
578 (22.76) |
633 (24.92) |
688 (27.09) |
|
Высота H2 для |
285 (11.22) |
330 (12.99) |
370 (14.57) |
347 (13.66) |
372 (14.65) |
424 (16.69) |
477 (18.78) |
|
Диаметр корпуса |
394 (15.51) |
442 (17.40) |
492 (19.37) |
469 (18.46) |
536 (21.10) |
631 (24.84) |
746 (29.37) |
|
Вес версии PN 10 в кг (MWP 145 psi версия в lbs) |
68 (149.9) |
80 (176.4) |
90 (198.4) |
110 (242.5) |
150 (330.7) |
210 (463) |
370 (860) |
1) Допуск для монтажной длины: B + 0,0 мм (0.00 дюймов) /- 4,0 мм (-0.157 дюймов). С защитными кольцами или дисками при
> DN 25 + 6,0 мм, > DN 200 + 10,0 мм (> 1" + 0.236 дюймов. > 8" + 0.394 дюймов)



