Соединительные головки для термометров сопротивления низкого/высокого давления, фланцевых термометров сопротивления и термометров сопротивления для дымового газа
Соединительная головка, форма B, класс защиты IP 54, из легкого металла (литье), с резьбовой крышкой, размеры в мм (дюймах)
Соединительная головка, форма B, класс защиты IP 54, из пластика, с резьбовой крышкой, размеры в мм (дюймах)
Соединительная головка, форма B, класс защиты IP 65, из легкого металла (литье), со стандартной откидной крышкой, размеры в мм (дюймах)
Соединительная головка, форма B, класс защиты IP 65, из легкого металла (литье), с высокой откидной крышкой, размеры в мм (дюймах)
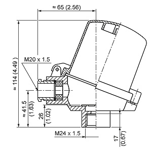
Соединительная головка, форма B-VA, класс защиты IP 65, из нерж. стали, с винтовой крышкой, размеры в мм (дюймах)



