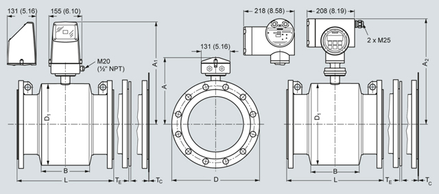
Измерительный датчик MAG 3100/ MAG 3100 Ex, компактный/раздельный, MAG 3100 Ex раздельный
|
DN |
A1) |
A1 |
B |
D |
L2) |
AS 2129 E |
AWWA |
TC3) |
TE3) |
Вес4) |
||||||
|---|---|---|---|---|---|---|---|---|---|---|---|---|---|---|---|---|
|
EN 1092-1-201 |
BS 1560/ |
|||||||||||||||
|
PN |
PN |
PN |
PN |
PN |
Класс |
Класс |
||||||||||
|
[мм] |
[мм] |
[мм] |
[мм] |
[мм] |
[мм] |
[мм] |
[мм] |
[мм] |
[мм] |
[мм] |
[мм] |
[мм] |
[мм] |
[мм] |
[мм] |
[кг] |
|
15 |
187 |
338 |
59 |
104 |
200 |
200 |
200 |
- |
- |
200 |
200 |
200 |
- |
- |
6 |
4 |
|
25 |
187 |
338 |
59 |
104 |
200 |
200 |
200 |
- |
260 |
200 |
200 |
200 |
- |
1.2 |
6 |
5 |
|
40 |
197 |
348 |
82 |
124 |
200 |
200 |
200 |
- |
280 |
200 |
200 |
200 |
- |
1.2 |
6 |
8 |
|
50 |
205 |
356 |
72 |
139 |
200 |
200 |
200 |
276 |
300 |
200 |
200 |
200 |
- |
1.2 |
6 |
9 |
|
65 |
212 |
363 |
72 |
154 |
200 |
200 |
200 |
320 |
350 |
200 |
272 |
200 |
- |
1.2 |
6 |
11 |
|
80 |
222 |
373 |
72 |
174 |
200 |
272 |
272 |
323 |
340 |
272 |
272 |
200 |
- |
1.2 |
6 |
12 |
|
100 |
242 |
393 |
85 |
214 |
250 |
250 |
250 |
380 |
400 |
250 |
310 |
250 |
- |
1.2 |
6 |
16 |
|
125 |
255 |
406 |
85 |
239 |
250 |
250 |
250 |
420 |
450 |
250 |
335 |
250 |
- |
1.2 |
6 |
19 |
|
150 |
276 |
427 |
85 |
282 |
300 |
300 |
300 |
415 |
450 |
300 |
300 |
300 |
- |
1.2 |
6 |
27 |
|
200 |
304 |
455 |
137 |
338 |
350 |
350 |
350 |
480 |
530 |
350 |
350 |
350 |
- |
1.2 |
8 |
40 |
|
250 |
332 |
483 |
137 |
393 |
450 |
450 |
450 |
550 |
620 |
450 |
450 |
450 |
- |
1.2 |
8 |
60 |
|
300 |
357 |
508 |
137 |
444 |
500 |
500 |
500 |
600 |
680 |
500 |
500 |
500 |
- |
1.6 |
8 |
80 |
|
350 |
362 |
513 |
270 |
451 |
550 |
550 |
550 |
700 |
800 |
550 |
550 |
550 |
- |
1.6 |
8 |
110 |
|
400 |
387 |
538 |
270 |
502 |
600 |
600 |
600 |
750 |
- |
600 |
600 |
600 |
- |
1.6 |
10 |
125 |
|
450 |
418 |
569 |
310 |
563 |
600 |
600 |
600 |
- |
- |
600 |
640 |
600 |
- |
1.6 |
10 |
175 |
|
500 |
443 |
594 |
350 |
614 |
625 |
625 |
680 |
- |
- |
680 |
730 |
625 |
- |
1.6 |
10 |
200 |
|
600 |
494 |
645 |
430 |
715 |
750 |
750 |
750 |
- |
- |
820 |
860 |
750 |
- |
1.6 |
10 |
300 |
|
700 |
544 |
695 |
500 |
816 |
875 |
- |
- |
- |
- |
- |
- |
875 |
875 |
2.0 |
- |
350 |
|
750 |
571 |
722 |
556 |
869 |
- |
- |
- |
- |
- |
- |
- |
937 |
937 |
2.0 |
- |
380 |
|
800 |
606 |
757 |
560 |
927 |
1000 |
- |
- |
- |
- |
- |
- |
1000 |
1000 |
2.0 |
- |
475 |
|
900 |
653 |
804 |
630 |
1032 |
1125 |
- |
- |
- |
- |
- |
- |
1125 |
1125 |
2.0 |
- |
560 |
|
1000 |
704 |
906 |
670 |
1136 |
1250 |
- |
- |
- |
- |
- |
- |
1250 |
1250 |
2.0 |
- |
700 |
|
1100 |
755 |
906 |
770 |
1238 |
1375 |
- |
- |
- |
- |
- |
- |
- |
- |
2.0 |
- |
1200 |
|
1200 |
810 |
961 |
792 |
1348 |
1500 |
- |
- |
- |
- |
- |
- |
1500 |
1500 |
2.0 |
- |
1250 |
|
1400 |
925 |
1076 |
1000 |
1675 |
1750 |
- |
- |
- |
- |
- |
- |
- |
- |
2.0 |
- |
1753 |
|
1500 |
972 |
1123 |
1020 |
1672 |
- |
- |
- |
- |
- |
- |
- |
1875 |
1875 |
3.0 |
- |
2600 |
|
1600 |
1025 |
1176 |
1130 |
1915 |
2000 |
- |
- |
- |
- |
- |
- |
- |
- |
3.0 |
- |
2341 |
|
1800 |
1123 |
1274 |
1250 |
1974 |
2250 |
- |
- |
- |
- |
- |
- |
- |
- |
3.0 |
- |
3253 |
|
2000 |
1223 |
1374 |
1375 |
2174 |
2500 |
- |
- |
- |
- |
- |
- |
- |
- |
3.0 |
- |
4060 |
1) Короче на 13 мм при клеммной коробке AISI (Ex- и высокотемпературная конструкция)
2) При использовании фланцев заземления прибавить толщину кольца к монтажной длине.
3) Tс = кольцо заземления типа C, TE = кольцо заземления типа E
4) Вес является приблизительным значением и действителен для PN 16 без измерительного преобразователя
- недоступно
Измерительный датчик MAG 3100 компактный/раздельный/MAG 3100 Ex раздельный
|
Size |
A1) |
A1 |
B |
D |
L2) |
AWWA |
TC3) |
TE3) |
Вес4) |
||||||
|---|---|---|---|---|---|---|---|---|---|---|---|---|---|---|---|
|
EN 1092-1-201 |
ANSI 16.5 |
||||||||||||||
|
PN |
PN |
PN |
PN |
PN |
Класс |
Класс |
|||||||||
|
[дюймов] |
[дюймов] |
[дюймов] |
[дюймов] |
[дюймов] |
[дюймов] |
[дюймов] |
[дюймов] |
[дюймов] |
[дюймов] |
[дюймов] |
[дюймов] |
[дюймов] |
[дюймов] |
[дюймов] |
[lbs] |
|
½ |
7.36 |
13.31 |
2.32 |
4.09 |
7.87 |
7.87 |
7.87 |
- |
- |
7.87 |
7.87 |
- |
- |
0.24 |
11 |
|
1 |
7.36 |
13.31 |
2.32 |
4.09 |
7.87 |
7.87 |
7.87 |
- |
10.24 |
7.87 |
7.87 |
- |
0.05 |
0.24 |
13 |
|
1½ |
7.76 |
13.70 |
3.23 |
4.88 |
7.87 |
7.87 |
7.87 |
- |
11.02 |
7.87 |
7.87 |
- |
0.05 |
0.24 |
17 |
|
2 |
8.07 |
14.01 |
2.83 |
5.47 |
7.87 |
7.87 |
7.87 |
10.87 |
11.81 |
7.87 |
7.87 |
- |
0.05 |
0.24 |
28 |
|
2½ |
8.35 |
14.29 |
2.83 |
6.06 |
7.87 |
7.87 |
7.87 |
12.60 |
13.78 |
7.87 |
10.71 |
- |
0.05 |
0.24 |
30 |
|
3 |
8.74 |
14.69 |
2.83 |
6.85 |
7.87 |
10.71 |
10.71 |
12.72 |
13.39 |
10.71 |
10.71 |
- |
0.05 |
0.24 |
33 |
|
4 |
9.53 |
15.47 |
3.35 |
8.43 |
9.84 |
9.84 |
9.84 |
14.96 |
15.75 |
9.84 |
12.20 |
- |
0.05 |
0.24 |
44 |
|
5 |
10.04 |
15.98 |
3.35 |
9.41 |
9.84 |
9.84 |
9.84 |
16.54 |
17.72 |
9.84 |
13.10 |
- |
0.05 |
0.24 |
55 |
|
6 |
10.87 |
16.81 |
5.39 |
11.10 |
11.81 |
11.81 |
11.81 |
16.34 |
17.72 |
11.81 |
11.81 |
- |
0.05 |
0.24 |
66 |
|
8 |
11.97 |
17.91 |
5.39 |
13.31 |
13.78 |
13.78 |
13.78 |
18.90 |
20.87 |
13.78 |
13.78 |
- |
0.05 |
0.31 |
110 |
|
10 |
13.07 |
19.02 |
5.39 |
15.47 |
17.72 |
17.72 |
17.72 |
21.65 |
24.41 |
17.72 |
17.72 |
- |
0.05 |
0.31 |
155 |
|
12 |
14.05 |
20.00 |
5.39 |
17.48 |
19.69 |
19.69 |
19.69 |
23.62 |
26.77 |
19.69 |
19.69 |
- |
0.06 |
0.31 |
176 |
|
14 |
14.25 |
20.20 |
10.63 |
17.76 |
21.65 |
21.65 |
21.65 |
27.56 |
31.50 |
21.65 |
21.65 |
- |
0.06 |
0.31 |
242 |
|
16 |
15.24 |
21.18 |
10.63 |
19.76 |
23.62 |
23.62 |
23.62 |
29.53 |
- |
23.62 |
23.62 |
- |
0.06 |
0.39 |
275 |
|
18 |
16.45 |
22.40 |
12.20 |
22.16 |
23.62 |
23.62 |
23.62 |
- |
- |
23.62 |
25.20 |
- |
0.06 |
0.39 |
385 |
|
20 |
17.44 |
23.39 |
13.78 |
24.17 |
24.61 |
24.61 |
26.77 |
- |
- |
26.77 |
28.70 |
- |
0.06 |
0.39 |
440 |
|
24 |
19.45 |
25.39 |
16.93 |
28.15 |
29.53 |
29.53 |
29.53 |
- |
- |
32.28 |
33.80 |
- |
0.06 |
0.39 |
660 |
|
28 |
21.42 |
27.36 |
19.69 |
32.13 |
34.45 |
- |
- |
- |
- |
- |
- |
34.5 |
0.08 |
- |
770 |
|
30 |
22.48 |
28.43 |
21.89 |
34.21 |
- |
- |
- |
- |
- |
- |
- |
36.9 |
0.08 |
- |
880 |
|
32 |
23.86 |
29.80 |
22.05 |
36.50 |
39.37 |
- |
- |
- |
- |
- |
- |
39.4 |
0.08 |
- |
1045 |
|
36 |
25.71 |
31.65 |
24.80 |
40.63 |
44.29 |
- |
- |
- |
- |
- |
- |
44.3 |
0.08 |
- |
1233 |
|
40 |
27.72 |
35.67 |
26.38 |
44.72 |
49.21 |
- |
- |
- |
- |
- |
- |
49.2 |
0.08 |
- |
1541 |
|
42 |
27.72 |
35.67 |
26.38 |
44.72 |
49.21 |
- |
- |
- |
- |
- |
- |
49.2 |
0.08 |
- |
1541 |
|
44 |
29.72 |
35.67 |
30.31 |
48.74 |
- |
- |
- |
- |
- |
- |
- |
59.1 |
0.08 |
- |
|
|
48 |
31.89 |
37.83 |
31.18 |
53.07 |
59.06 |
- |
- |
- |
- |
- |
- |
59.1 |
0.08 |
- |
2751 |
|
54 |
36.42 |
42.36 |
39.37 |
65.94 |
68.90 |
- |
- |
- |
- |
- |
- |
68.9 |
0.12 |
- |
3211 |
|
60 |
38.27 |
44.21 |
40.15 |
65.83 |
- |
- |
- |
- |
- |
- |
- |
73.8 |
0.12 |
- |
3731 |
|
66 |
40.35 |
46.30 |
44.49 |
75.39 |
78.74 |
- |
- |
- |
- |
- |
- |
78.7 |
0.12 |
- |
4257 |
|
72 |
44.21 |
50.16 |
49.21 |
77.72 |
88.58 |
- |
- |
- |
- |
- |
- |
88.5 |
0.12 |
- |
5291 |
|
78 |
48.15 |
54.09 |
54.13 |
85.59 |
98.43 |
- |
- |
- |
- |
- |
- |
98.4 |
0.12 |
- |
7492 |
1) На 0.512 дюймов короче при клеммной коробке AISI (Ex- и высокотемпературная конструкция)
2) При использовании фланцев заземления прибавить толщину кольца к монтажной длине.
3) TC = кольцо заземления типа, TE = кольцо заземления типа E
4) Вес действителен для ANSI 150 без измерительного преобразователя
- недоступно



