Синхронизация
Функция NO
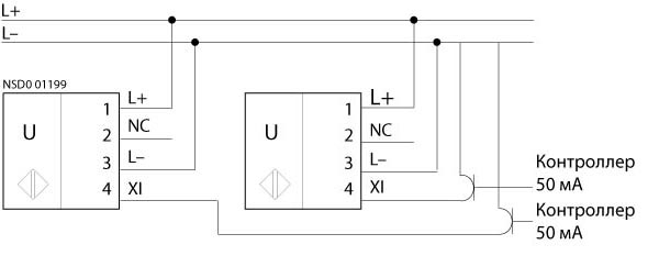
Внешний мультиплексерный режим
Функция NO
Внутренний мультиплексерный режим (аналоговый выход)
Функция NO
Функция NС
Функция NС
Функция NС


Функция NO
Функция NO
Функция NO
Функция NС
Функция NС
Функция NС
|
© ООО "СК ЭНЕРГО" 2007-2022 (4872) 700-366 skenergo@mail.ru |
|