СРЕДСТВА ПРОМЫШЛЕННОЙ АВТОМАТИЗАЦИИ
официальный партнер Сименс
Каталог СА01 2013
архивный
(4872) 700-366
skenergo@mail.ru
Поиск
Каталог 2018
|
Каталог 2017
|
Каталог 2016
|
Каталог 2015
|
Каталог 2014
|
Каталог 2013
|
Каталог 2012
|
Сертификат
|
Контакты
|
Карта сайта
|
Поиск
Информация по продукту также доступна в обновленном каталоге
СА01 2018
и в архивных каталогах
СА01 2017
СА01 2016
СА01 2015
СА01 2014
Обзор
|
Особенности
|
Область применения
|
Технические данные
|
Чертеж
|
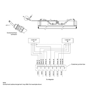
Схема подключения
|
Аксессуары
|
Milltronics MLC
MLC подключение
Каталог оборудования 2013
Каталог продуктов Siemens Industry
Приводная техника
Техника автоматизации
Системы автоматизации
Системы визуализации SIMATIC HMI
Системы идентификации
Промышленные коммуникации SIMATIC NET
Промышленные аппараты управления SIRIUS
Промышленные информационные технологии
Управление на базе РС
Системы управления процессом
Датчики
Контрольно-измерительные приборы
Анализаторы процесса
Технологии взвешивания
Модули взвешивания
Весоизмерительные ячейки
Конвейерное взвешивание
Конвеерные весы Milltronics
Конвейерные весы
Milltronics MLC
Milltronics MBS
Milltronics MUS
Milltronics MCS
Milltronics MSI и MMI
Milltronics WD600
Датчики скорости
Аксессуары
Ленточные весовые дозаторы Milltronics
Расходомеры сыпучих веществ
Датчики зрения
Блоки питания
Продукты для специальных требований
Автоматизация зданий
Низковольтная коммутационная техника
Технология безопасности
Системные решения и продукты для отраслей
Сервис
... и все, что Вам еще необходимо
©
ООО "СК ЭНЕРГО"
2007-2022
(4872) 700-366 skenergo@mail.ru